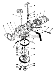
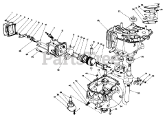
22510 - Toro Walk-Behind Mower (SN: 007000001 - 007999999) (1987) Parts & Diagrams Parts Lists & Diagrams

Walk-Behind Mower