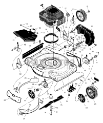
22605x50F - Murray 22" Walk-Behind Mower (2002) Parts & Diagrams Parts Lists & Diagrams

22" Walk-Behind Mower

22605x50F - Murray 22" Walk-Behind Mower (2002) > Parts Diagrams (2)