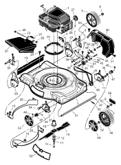
22615x194B - Briggs & Stratton 22" Walk-Behind Mower (2000) Parts & Diagrams Parts Lists & Diagrams

22" Walk-Behind Mower

22615x194B - Briggs & Stratton 22" Walk-Behind Mower (2000) > Parts Diagrams (2)