22710 C - Toro Walk-Behind Mower (SN: 009900001 - 009999999) (1989) Engine Assembly Parts Diagram

Walk-Behind Mower

Engine Assembly Parts Diagram

  • Title
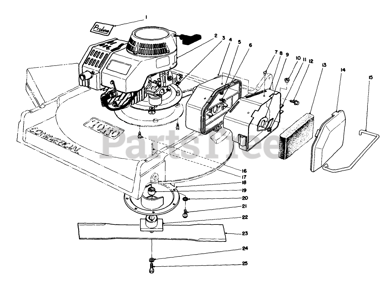
1

Toro 71-1260

DECAL - PROLINE

$8.49

$

Usually ships in 3-6 days

0

2

Toro 62-7600

DECAL - FUEL

$

$

Not available

3

Toro 3218-3

NUT-JAM

$0.99

$

In Stock, Qty 10

0

4

Toro 52-2200

AIR CLEANER ASM

$587.99

$

Usually ships in 3-6 days

0

5

Toro 3269-6

WASHER-FLAT

$0.99

$

Usually ships in 3-6 days

0

6

Toro 51-3220

DISCONTINUED

$

$

Not available

7

Toro 3269-5

RIVET-POP

$1.49

$

Usually ships in 3-6 days

0

8

Toro 52-2250

DISCONTINUED

$

$

Not available

9

Toro 81-0140

SPIT BACK DEFLECTOR

$

$

Not available

10

Toro 237-127

DISCONTINUED

$

$

Not available

11

Toro 49-7810

See Supercession: 33023-00
(Superseded to 33023-00)

$0.99

$

Usually ships in 3-6 days

0

12

Toro 81-1280

SCREW-HHF

$1.99

$

In Stock, only 2 left!

0

13

Toro 81-0100

FILTER

$9.99

$

In Stock, only 4 left!

0

14

Toro 81-0120

DISCONTINUED

$

$

Not available

15

Toro 52-2240

AIR CLEANER GUARD*

$

$

Not available

16

Toro 323-6

SCREW-HH

$2.99

$

In Stock, Qty 20+

0

17

Toro 27-8590

KEY-SQUARE

$6.99

$

Usually ships in 3-6 days

0

18

Toro 48-2591

PROTECTOR-CRANKSHAFT
(Superseded to 125-8370)

$115.99

$

In Stock, only 2 left!

0

19

Toro 52-2194

BLADE SPACER

$

$

Not available

20

Toro 3254-6

WASHER-LOCK, INTERNAL

$0.99

$

Usually ships in 3-6 days

0

21

Toro 32144-70

SCREW-HWHTF

$2.99

$

In Stock, Qty 20+

0

22

Toro 66-7190

See Supercession: 66-7190-03
(Superseded to 66-7190-03)

$

$

Not available

23

Toro 26-5790

BLADE

$

$

Not available

24

Toro 3253-22

WASHER-LOCK

$2.99

$

In Stock, only 2 left!

0

25

Toro 26-0670

SCREW-BLADE

$

$

Not available

Toro 81-5221

See Supercession: 12-8099
(Superseded to 12-8099)

$

$

Not available