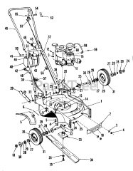
23000 - Toro 21" Whirlwind Hevi-Duty Walk-Behind Mower (SN: 008000001 - 008999999) (1968) Parts & Diagrams Parts Lists & Diagrams

21" Whirlwind Hevi-Duty Walk-Behind Mower