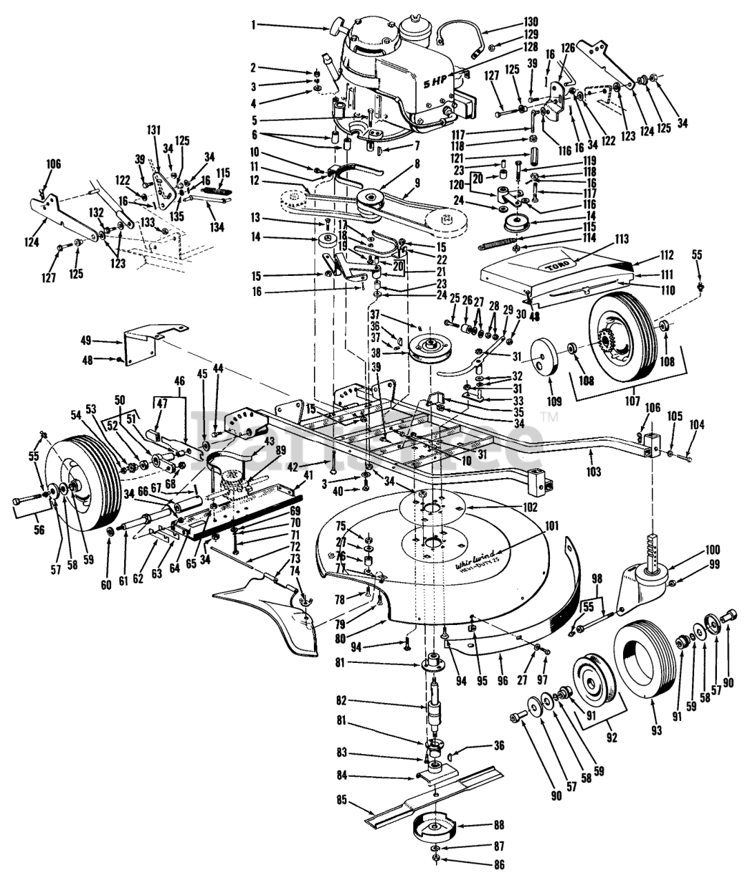
23300 - Toro Walk-Behind Mower (SN: 006000001 - 006999999) (1966) 25" HEVI-DUTY PARTS LIST Parts Diagram

Walk-Behind Mower

25" HEVI-DUTY PARTS LIST Parts Diagram

  • Title
1

Toro 221-253

Engine

$

$

Currently unavailable

2

Toro 3217-6

NUT-HEX

$1.49

$

In Stock, only 3 left!

0

3

Toro 3253-4

WASHER-LOCK

$0.99

$

In Stock, Qty 11

0

4

Toro 3256-23

WASHER-PLAIN

$2.49

$

In Stock, Qty 14

0

5

Toro 322-23

SCREW-HH
(Superseded to 321-9)

$5.49

$

In Stock, Qty 20+

0

6

Toro 3-7824

Spacer

$

$

Currently unavailable

7

Toro 3257-17

KEY-WOODRUFF

$

$

Not available

8

Toro 3-8165

Pulley

$

$

Currently unavailable

9

Toro 3-8095

CUTTER BELT

$89.99

$

Usually ships in 3-6 days

0

10

Toro 322-7

SCREW-HH

$1.49

$

In Stock, Qty 11

0

11

Toro 3-8145

Retainer, Belt

$

$

Currently unavailable

12

$

$

Currently unavailable

13

Toro 32108-25

Flat Head Screw

$

$

Currently unavailable

14

Toro 244-63

PULLEY B

$

$

Not available

15

Toro 3296-47

NUT-LOCK, NI

$4.49

$

In Stock, Qty 20+

0

16

Toro 3272-6

PIN-COTTER

$0.99

$

In Stock, Qty 20+

0

17

Toro 3256-4

WASHER-FLAT

$1.99

$

In Stock, Qty 20+

0

18

Toro 3253-21

WASHER-LOCK

$0.99

$

In Stock, Qty 8

0

19

Toro 3211-4

SCREW-HH

$1.49

$

In Stock, only 3 left!

0

20

Toro 256-77

BUSHING

$3.99

$

Usually ships in 3-6 days

0

21

Toro 3-8136

Idler Arm

$

$

Not available

22

Toro 3-8142

Retainer Belt

$

$

Currently unavailable

23

Toro 3-8164

ENGINE PIVOT SPACER

$

$

Not available

24

Toro 3-8158

SPACER

$

$

Currently unavailable

25

Toro 3251-7

10-24X1-1/2 RND HD MS

$

$

Not available

26

Toro 237-45

BUMPER

$

$

Not available

27

Toro 3256-2

WASHER-FLAT

$0.99

$

In Stock, Qty 17

0

28

Toro 3217-26

NUT-HEX

$1.99

$

Usually ships in 3-6 days

0

29

Toro 3-8302

Arm, Brake
(Superseded to 5-2126)

$

$

Not available

30

Toro 3296-12

NUT-LOCK, NI

$1.49

$

In Stock, Qty 5

0

31

Toro 3296-44

NUT-LOCK, NI

$3.49

$

Usually ships in 3-6 days

0

32

Toro 3256-24

WASHER-FLAT

$0.99

$

In Stock, Qty 20+

0

33

Toro 3-8306

Base Pivot

$

$

Not available

34

Toro 3296-29

NUT-LOCK, NI

$2.49

$

In Stock, Qty 20+

0

35

Toro 3-8308

Belt Retainer

$

$

Not available

36

Toro 3257-23

KEY-WOODRUFF

$7.99

$

In Stock, Qty 13

0

37

Toro 3246-3

SCREW-HSH

$14.99

$

Usually ships in 3-6 days

0

38

Toro 3-8423

CUTTER PULLEY

$

$

Not available

39

Toro 322-2

SCREW-HH

$2.99

$

In Stock, Qty 5

0

40

Toro 322-13

SCREW-HH

$3.99

$

In Stock, Qty 15

0

41

Toro 3-8103

Support

$

$

Currently unavailable

42

Toro 32122-39

Screw, Truss Head

$

$

Currently unavailable

43

Toro 3-8106

Belt Band

$

$

Currently unavailable

44

Toro 322-3

SCREW-HH

$0.99

$

In Stock, Qty 20+

0

45

Toro 3-0737

WASHER

$9.99

$

In Stock, only 2 left!

0

47

$

$

Not available

48

Toro 32104-77

10-16 X 3/8 THDG SCREW

$

$

Not available

49

Toro 3-8152

Rear Shroud
(Superseded to 5-3482)

$

$

Not available

50

Toro 3-8117

Pivot Arm

$

$

Not available

Toro 3-8116

Pivot Arm

$

$

Not available

51

Toro 251-183

.375 RPP BALL BEARING

$

$

Not available

52

Toro 256-1

BUSHING

$31.99

$

In Stock, only 2 left!

0

53

Toro 3-3039

Pinion Kit

$

$

Currently unavailable

54

Toro 3220-3

NUT-HJ

$0.99

$

In Stock, Qty 20+

0

Toro 3-5781

Nut
(Superseded to 3220-16)

$2.49

$

In Stock, only 2 left!

0

55

Toro 302-5

FITTING-GREASE

$3.49

$

In Stock, Qty 20+

0

56

Toro 3-2819

Axle Bolt Use on Serial No. 1 thru 250

$

$

Currently unavailable

56

Toro 3213-12

SCREW-HH

$

$

Not available

57

Toro 3-4416

SLINGER

$

$

Not available

58

Toro 3-4417

Washer

$

$

Not available

59

Toro 237-30

O-RING

$2.99

$

Usually ships in 3-6 days

0

60

Toro 3-8115

Washer

$

$

Not available

61

Toro 3-8113

Drive Spindle
(Superseded to 5-2132)

$

$

Not available

Toro 3-8114

Drive Spindle
(Superseded to 5-2131)

$

$

Not available

62

Toro 3-8414

Shim .015

$

$

Currently unavailable

63

Toro 3-8413

Shim .030

$

$

Currently unavailable

64

Toro Z-121-41

Serial & Patent No. Decal

$

$

Currently unavailable

65

Toro 3218-2

NUT-JAM

$0.99

$

In Stock, Qty 19

0

66

Toro 2-9839

Clutch Assembly

$

$

Not available

Toro 2-9889

Clutch Assembly

$

$

Currently unavailable

67

Toro 32121-64

Groove Pin

$

$

Currently unavailable

68

Toro 3296-28

NUT-LOCK, NI

$1.99

$

In Stock, only 3 left!

0

69

Toro 3256-22

WASHER-FLAT

$0.99

$

In Stock, Qty 20+

0

70

Toro 3253-3

WASHER-LOCK

$0.99

$

In Stock, Qty 20+

0

71

Toro 321-14

SCREW-HH

$5.49

$

In Stock, Qty 12

0

72

Toro 3-1176

Hinge Pin

$

$

Currently unavailable

73

Toro 3-0674

DEFLECTOR

$

$

Not available

74

Toro 3-4808

Nut Wing

$

$

Not available

75

Toro 3296-8

NUT-HEX

$1.49

$

Usually ships in 3-6 days

0

76

Toro 3-5528

Spacer

$

$

Not available

77

Toro 3290-147

PAL NUT

$

$

Not available

78

Toro 32108-7

Screw

$

$

Not available

79

Toro 32108-21

5/16-18X7/8 FLT HD MS

$

$

Currently unavailable

80

Toro 3-4562

Housing

$

$

Not available

81

Toro 3-1931

BEARING HOUSING

$

$

Not available

82

Toro 3-4533

Bearing Spindle

$

$

Not available

83

Toro 322-5

SCREW-HH

$0.99

$

In Stock, Qty 20+

0

84

Toro 3-5220

Retainer

$

$

Not available

85

Toro 3-4793

Blade
(Superseded to 28-0710)

$

$

Not available

86

Toro 3296-19

NUT-HEX

$1.49

$

In Stock, Qty 20+

0

87

Toro 3253-27

WASHER-LOCK

$3.49

$

In Stock, only 3 left!

0

88

$

$

Not available

89

Toro 3-2429

Transmission Assembly

$

$

Currently unavailable

90

Toro 3-8101

Spacer

$

$

Currently unavailable

91

Toro 251-180

BEARING-BALL
(Superseded to 116-7257)

$19.99

$

In Stock, only 1 left!

0

92

Toro 3-2839

Wheel W.A. w/Ref. No. 53
(Superseded to 3-2179)

$142.99

$

In Stock, only 1 left!

0

93

Toro 234-18

1.75-8 SEMIPNEU TIRE

$

$

Not available

94

Toro 3231-2

BOLT-CARR

$1.99

$

In Stock, Qty 20+

0

95

Toro 3290-192

SPEED NUT

$

$

Not available

96

Toro 3-5536

Cover

$

$

Not available

97

Toro 321-2

SCREW-HH

$3.99

$

In Stock, only 4 left!

0

98

Toro 3-2389

Axle Bolt w/Zerk

$

$

Not available

99

Toro 3296-39

NUT-LOCK, NI

$2.99

$

In Stock, Qty 20+

0

100

Toro 3-8097

Caster

$

$

Currently unavailable

101

Toro 3-8156

Decal

$

$

Not available

102

Toro 3-2118

Plate

$

$

Currently unavailable

103

Toro 3-7813

Frame

$

$

Currently unavailable

104

$

$

Currently unavailable

105

Toro 237-60

Grommet

$

$

Currently unavailable

106

Toro 3290-250

PIN-COTTER

$6.99

$

Usually ships in 3-6 days

0

107

Toro 3-9317

Rear Wheel Assy.

$

$

Not available

108

Toro 251-191

BEARING

$

$

Not available

109

Toro 3-8127

Wheel Cover

$

$

Not available

110

Toro 3-8155

Decal

$

$

Currently unavailable

111

Toro 3-8151

Shroud Panel

$

$

Not available

112

Toro 3-8148

Shroud, Front
(Superseded to 5-2148)

$

$

Not available

113

Toro 3-8154

Decal

$

$

Currently unavailable

114

Toro 3296-6

NUT-LOCK

$1.99

$

In Stock, only 4 left!

0

115

Toro 3-8135

EXTENSION SPRING

$

$

Currently unavailable

116

Toro 3-3846

WASHER

$

$

Not available

117

$

$

Not available

118

Toro 32149-1

NUT-KEPS

$6.49

$

In Stock, Qty 6

0

119

Toro 3-7283

Screw

$

$

Not available

120

Toro 3-8131

Idler Arm

$

$

Currently unavailable

121

Toro 3-6481

CONTROL ROD SLEEVE

$

$

Not available

122

Toro 5-0744

WASHER

$

$

Not available

123

Toro 3-3287

SPACER

$5.49

$

In Stock, Qty 13

0

124

Toro 3-2656

Latch

$

$

Not available

125

Toro 3-7811

PIVOT

$

$

Not available

126

Toro 3-8305

Bellcrank, Cutter

$

$

Currently unavailable

127

Toro 32104-37

SCREW-HWH, THREAD CUT

$4.99

$

Usually ships in 3-6 days

0

128

Toro 3-8153

Decal

$

$

Currently unavailable

129

Toro 3296-4

NUT-LOCK

$0.99

$

In Stock, only 2 left!

0

130

$

$

Not available

131

Toro 3-8128

Bellcrank

$

$

Currently unavailable

132

Toro 3-1846

Screw
(Superseded to 5-2490)

$

$

Not available

134

$

$

Currently unavailable

135

Toro 3-6712

Spacer

$

$

Not available