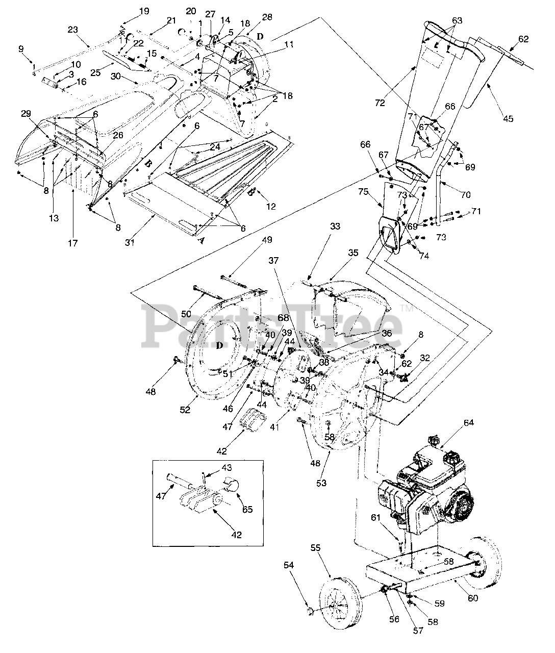
247.775870 (24A-483D099) - Craftsman Chipper Shredder (1999) (Sears) 6.5 H.P. Chipper-Shredder Parts Diagram

Chipper Shredder

6.5 H.P. Chipper-Shredder Parts Diagram

  • Title
1

MTD 11480

Stop Washer

$

$

Not available

2

MTD 681-0111

Inlet Guide Assembly

Variations

681-0111-0483

MTD 681-0111-0483

No Longer Available - CHARCOAL GRAY (0483)

$

$

Not available

681-0111-0689

MTD 681-0111-0689

No Longer Available - POLO GREEN (0689)

$

$

Not available

$

$

3

MTD 681-0144

Arm Bracket Assembly

$

$

Not available

4

MTD 710-0542

Hex Flange Bolt: 5/16-18 x 8.375" (gr.5)

$

$

Not available

5

MTD 710-0607

Hex Washer Head Self-Tapping Screw: 5/16-18 x 0.5"

$6.99

$

In Stock, Qty 14

0

6

MTD 710-3256

Button-Head Screw 1/4-20 x 0.5"

$11.99

$

Usually ships in 3-6 days

0

7

MTD 712-0429

Lock Nut: 5/16-18

$4.49

$

In Stock, Qty 20+

0

8

MTD 712-3027

Hex Flange Lock Nut: 1/4-20
(Superseded to 912-3027)

$4.49

$

In Stock, Qty 19

0

9

MTD 714-0104

Internal Cotter Pin

$4.49

$

In Stock, Qty 10

0

10

MTD 715-0129

Spiral Pin

$4.99

$

In Stock, only 1 left!

0

11

MTD 726-0106

Cap Nut

$4.49

$

Usually ships in 3-6 days

0

12

MTD 726-0135

Speed Cap Nut

$7.49

$

In Stock, only 4 left!

0

13

MTD 728-0175

Pop Rivet

$4.99

$

In Stock, Qty 20+

0

14

MTD 732-0546

Torsion Spring
(Superseded to 932-0546)

$5.49

$

Usually ships in 3-6 days

0

15

MTD 732-0629

Hopper Door Spring
(Superseded to 932-0629)

$

$

Not available

16

MTD 735-0127

Rubber Washer

$7.49

$

Usually ships in 3-6 days

0

17

MTD 735-0651

Hopper Flap

$

$

Not available

18

MTD 736-0119

Lock Washer
(Superseded to 936-0119)

$4.99

$

In Stock, Qty 20+

0

19

MTD 738-0137A

Shdr. Scr: .340 x .285 x 1/4-20

$11.99

$

In Stock, only 2 left!

0

20

MTD 738-0946

Shdr. Scr: .56 x .165 x 5/16-18

$

$

Not available

21

MTD 747-0531A

Ret. Rod: 5/16" dia.

$

$

Not available

22

MTD 747-0747

Hopper Door Rod

$

$

Not available

23

MTD 747-1124

Flap Retaining Rod

$

$

Not available

24

MTD 747-1125

Flap Retaining Bail

$

$

Not available

25

MTD 781-0492A

Hopper Pivot Door

Variations

781-0492A-0483

MTD 781-0492A-0483

No Longer Available DOOR-HOPPE - CHARCOAL GRAY (0483)

$

$

Not available

781-0492A-0637

MTD 781-0492A-0637

No Longer Available DOOR-HOPPER PIVOT - POWDER BLACK (0637)

$

$

Not available

781-0492A-0638

MTD 781-0492A-0638

No Longer Available - MTD/TROY-BILT RED (0638)

$

$

Not available

781-0492A-0689

MTD 781-0492A-0689

No Longer Available DOOR-HOPPER PIVOT - POLO GREEN (0689)

$

$

Not available

$

$

26

MTD 781-0633

Chute Flap Strip

$10.99

$

Usually ships in 3-6 days

0

27

MTD 781-0698

Hopper Lock Bracket

Variations

781-0698-0483

MTD 781-0698-0483

No Longer Available - CHARCOAL GRAY (0483)

$

$

Not available

781-0698-0638

MTD 781-0698-0638

BRACKET- HOPPER LO - MTD/TROY-BILT RED (0638)

$

$

Not available

781-0698-0689

MTD 781-0698-0689

No Longer Available BRACKET- H - POLO GREEN (0689)

$

$

Not available

$

$

28

MTD 781-0715

Shredder Plate
(Superseded to 781-0715-0637)

Variations

781-0715-0637

MTD 781-0715-0637

PLATE-SHREDDER - POWDER BLACK (0637)

$

$

Not available

$

$

29

MTD 781-0752

Flap Mounting Bracket

Variations

781-0752-0689

MTD 781-0752-0689

No Longer Available BRACKET-MT - POLO GREEN (0689)

$

$

Not available

$

$

30

MTD 781-0754-0483

Upper Hopper

$

$

Not available

31

MTD 781-0755-0483

Lower Hopper

$

$

Not available

32

MTD 720-0170

Hand Knob

$11.99

$

In Stock, Qty 9

0

33

MTD 750-0793

Chute Hinge Spacer
(Superseded to 950-0793)

$3.99

$

In Stock, Qty 8

0

34

MTD 714-0149B

Internal Cotter Pin

$4.99

$

In Stock, only 2 left!

0

35

MTD 681-0094-0483

Discharge Chute Assembly
(Superseded to 681-0094A-0637)

$137.99

$

Usually ships in 3-6 days

0

36

MTD 781-0457

Shredder Screen
(Superseded to 781-0457-0637)

Variations

781-0457-0637

MTD 781-0457-0637

Shredder Screen, Black - POWDER BLACK (0637)

$43.99

$

In Stock, only 3 left!

0

$43.99

$

In Stock, only 3 left!

0

37

MTD 681-0030

Impeller Assembly
(Superseded to 981-04096)

$636.99

$

Usually ships in 3-6 days

0

38

MTD 710-0157

Hex Bolt 5/16-24 X .75"

$4.49

$

In Stock, only 3 left!

0

39

MTD 736-0119

Lock Washer 5/16" Id
(Superseded to 936-0119)

$4.99

$

In Stock, Qty 20+

0

40

MTD 710-1054

Flat Hd. Screw 5/16-24 X .75"

$4.49

$

In Stock, Qty 15

0

41

MTD 781-0490

Chipper Blade
(Superseded to 981-0490)

$32.99

$

In Stock, only 2 left!

0

42

MTD 719-0329

Flail Blade

$33.99

$

In Stock, Qty 7

0

43

MTD 715-0166

Spring Roll Pin

$7.49

$

In Stock, only 3 left!

0

44

MTD 712-0411

Hex Top Lock Nut 5/16-24 (gr. 5)

$4.49

$

In Stock, Qty 20+

0

45

MTD 735-0249

Shredder Chute Flap
(Superseded to 735-0249A)

$26.99

$

Usually ships in 3-6 days

0

46

MTD 736-0247

Flat Washer .406" ID X 1.25" OD

$10.99

$

In Stock, Qty 10

0

47

MTD 711-0833B

Clevis Pin
(Superseded to 911-0833B)

$12.99

$

In Stock, only 2 left!

0

48

MTD 710-3008

Hex Bolt 5/16-18 X 1.5"

$4.49

$

In Stock, Qty 20+

0

49

MTD 710-0825

Hex Bolt 1/4-20 X 3.75"

$5.99

$

In Stock, only 2 left!

0

50

MTD 711-0835

Clevis Pin
(Superseded to 911-0835)

$13.99

$

In Stock, only 1 left!

0

51

MTD 736-0217

Lock Washer

$4.49

$

In Stock, only 1 left!

0

52

MTD 681-0004A

Flail Housing Assembly: Outer

Variations

681-0004A-0483

MTD 681-0004A-0483

HOUSING ASSY-FLAIL - CHARCOAL GRAY (0483)

$233.99

$

Usually ships in 3-6 days

0

681-0004A-0498

MTD 681-0004A-0498

HOUSING ASSY-FLAIL - OLD CUB YELLOW (0498)

$250.99

$

Usually ships in 3-6 days

0

681-0004A-0637

MTD 681-0004A-0637

HOUSING ASSY-FLAIL - POWDER BLACK (0637)

$250.99

$

Usually ships in 3-6 days

0

681-0004A-0638

MTD 681-0004A-0638

HOUSING ASSY-FLAIL - MTD/TROY-BILT RED (0638)

$250.99

$

Usually ships in 3-6 days

0

681-0004A-0662

MTD 681-0004A-0662

HOUSING ASSY-FLAIL - OYSTER GRAY (0662)

$202.99

$

Usually ships in 3-6 days

0

681-0004A-0665

MTD 681-0004A-0665

HOUSING ASSY-FLAIL - YARDMAN GREEN (0665)

$202.99

$

Usually ships in 3-6 days

0

681-0004A-0668

MTD 681-0004A-0668

HOUSING ASSY-FLAIL - MOSS GREEN (0668)

$202.99

$

Usually ships in 3-6 days

0

681-0004A-0689

MTD 681-0004A-0689

HOUSING ASSY-FLAIL - POLO GREEN (0689)

$233.99

$

Usually ships in 3-6 days

0

681-0004A-0691

MTD 681-0004A-0691

HOUSING ASSY-FLAIL - BLACK JACK (0691)

$250.99

$

Usually ships in 3-6 days

0

681-0004A-0709

MTD 681-0004A-0709

HOUSING ASSY-FLAIL - MASTERCRAFT GREEN (0709)

$202.99

$

Usually ships in 3-6 days

0

681-0004A-0721

MTD 681-0004A-0721

HOUSING ASSY-FLAIL - SEARS RED (0721)

$233.99

$

Usually ships in 3-6 days

0

681-0004A-4044

MTD 681-0004A-4044

HOUSING ASSY-FLAIL - CRAFTSMAN RED (4044)

$233.99

$

Usually ships in 3-6 days

0

$202.99

$

Usually ships in 3-6 days

0

53

MTD 681-0117

Flail Housing Assembly: Inner

Variations

681-0117-0483

MTD 681-0117-0483

Flail Housing Assembly - CHARCOAL GRAY (0483)

$196.99

$

Usually ships in 3-6 days

0

681-0117-0637

MTD 681-0117-0637

Flail Housing Assembly - POWDER BLACK (0637)

$196.99

$

Usually ships in 3-6 days

0

681-0117-0638

MTD 681-0117-0638

Flail Housing Assembly - MTD/TROY-BILT RED (0638)

$196.99

$

Usually ships in 3-6 days

0

681-0117-0689

MTD 681-0117-0689

Flail Housing Assembly - POLO GREEN (0689)

$196.99

$

Usually ships in 3-6 days

0

681-0117-0691

MTD 681-0117-0691

Flail Housing Assembly - BLACK JACK (0691)

$196.99

$

Usually ships in 3-6 days

0

681-0117-0709

MTD 681-0117-0709

Flail Housing Assembly - MASTERCRAFT GREEN (0709)

$196.99

$

Usually ships in 3-6 days

0

681-0117-0721

MTD 681-0117-0721

Flail Housing Assembly - SEARS RED (0721)

$196.99

$

Usually ships in 3-6 days

0

681-0117-4021

MTD 681-0117-4021

Flail Housing Assembly - CUB YELLOW 2 (4021)

$196.99

$

Usually ships in 3-6 days

0

681-0117-4044

MTD 681-0117-4044

Flail Housing Assembly - CRAFTSMAN RED (4044)

$196.99

$

Usually ships in 3-6 days

0

$159.99

$

Usually ships in 3-6 days

0

54

MTD 726-0214

Push Cap 5/8" Dia.

$11.99

$

In Stock, Qty 20+

0

55

MTD 734-1600

Wheel Assembly Comp.

$99.99

$

Usually ships in 3-6 days

0

56

MTD 750-0786

Spacer
(Superseded to 950-0786)

$7.99

$

Usually ships in 3-6 days

0

57

MTD 738-0814

Shredder Axle

$46.99

$

In Stock, only 1 left!

0

58

MTD 712-3004A

Hex Lock Nut 5/16-18 (Gr.5)

$3.99

$

In Stock, Qty 20+

0

59

MTD 736-0170

Special Lock Washer

$5.99

$

Usually ships in 3-6 days

0

60

MTD 781-0510B

Shredder Frame
(Superseded to 681-0184C)

Variations

781-0510B-0483

MTD 781-0510B-0483

FRAME ASM-SHREDDER - CHARCOAL GRAY (0483)

$108.99

$

Usually ships in 3-6 days

0

781-0510B-0638

MTD 781-0510B-0638

FRAME ASM-SHREDDER - MTD/TROY-BILT RED (0638)

$124.99

$

Usually ships in 3-6 days

0

781-0510B-0689

MTD 781-0510B-0689

FRAME ASM-SHREDDER - POLO GREEN (0689)

$108.99

$

Usually ships in 3-6 days

0

$108.99

$

Usually ships in 3-6 days

0

61

MTD 710-0805

Hex Bolt 5/16-18 x 1.5"
(Superseded to 710-0805A)

$4.99

$

In Stock, Qty 9

0

62

MTD 781-0633

Chute Flap Strip

$10.99

$

Usually ships in 3-6 days

0

63

MTD 728-0175

Pop Rivet

$4.99

$

In Stock, Qty 20+

0

64

Engine: Tecumseh 6.5 hp.

$

$

Not available

65

MTD 781-0735

Pin Retaining Clip

$4.49

$

In Stock, Qty 18

0

66

MTD 710-0751

Hex Bolt 1/4-20 x .625

$4.49

$

In Stock, Qty 20+

0

67

MTD 736-0173

Flat Washer .28 I.D. x .74 O.D.

$4.49

$

In Stock, Qty 20+

0

68

MTD 742-0571

Shredder Blade
(Superseded to 942-0571)

$39.99

$

In Stock, only 1 left!

0

69

MTD 712-3027

Flanged Lock Nut
(Superseded to 912-3027)

$4.49

$

In Stock, Qty 19

0

70

MTD 749-1004

Chipper Chute Support

Variations

749-1004-0637

MTD 749-1004-0637

SUPPORT-CHUTE - POWDER BLACK (0637)

$49.99

$

Usually ships in 3-6 days

0

749-1004-0638

MTD 749-1004-0638

SUPPORT-CHUTE - MTD/TROY-BILT RED (0638)

$49.99

$

Usually ships in 3-6 days

0

749-1004-0689

MTD 749-1004-0689

SUPPORT-CHUTE - POLO GREEN (0689)

$49.99

$

Usually ships in 3-6 days

0

749-1004-0721

MTD 749-1004-0721

SUPPORT-CHUTE - SEARS RED (0721)

$46.99

$

Usually ships in 3-6 days

0

749-1004-4044

MTD 749-1004-4044

SUPPORT-CHUTE - CRAFTSMAN RED (4044)

$46.99

$

Usually ships in 3-6 days

0

$46.99

$

Usually ships in 3-6 days

0

71

MTD 710-0106

Hex Screw 1/4-20 x .625 (gr. 2)

$4.49

$

In Stock, Qty 12

0

72

MTD 681-0068

Chipper Chute Assembly
(Superseded to 681-0068A)

Variations

681-0068-0483

MTD 681-0068-0483

ASM-CHUTE - CHARCOAL GRAY (0483)

$177.99

$

Usually ships in 3-6 days

0

681-0068-0638

MTD 681-0068-0638

ASM-CHUTE - MTD/TROY-BILT RED (0638)

$

$

Not available

681-0068-0662

MTD 681-0068-0662

ASM-CHUTE - OYSTER GRAY (0662)

$

$

Not available

681-0068-0674

MTD 681-0068-0674

ASM-CHUTE - YARDMAN YELLOW (0674)

$

$

Not available

681-0068-0689

MTD 681-0068-0689

ASM-CHUTE - POLO GREEN (0689)

$

$

Not available

681-0068-0691

MTD 681-0068-0691

ASM-CHUTE - BLACK JACK (0691)

$

$

Not available

$

$

73

MTD 712-3010

Hex Nut 5/16-18 (gr. 5)

$4.99

$

In Stock, Qty 20+

0

74

MTD 736-0242

Bell Washer.345" I.D. x.88"

$4.99

$

In Stock, Qty 20+

0

75

MTD 731-1899

Chipper Chute
(Superseded to 753-05094)

$155.99

$

Usually ships in 3-6 days

0