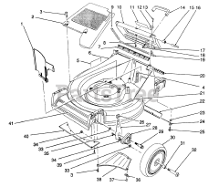
26620 B - Toro Walk-Behind Mower (SN: 010000001 - 019999999) (1991) Parts & Diagrams Parts Lists & Diagrams

Walk-Behind Mower