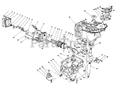
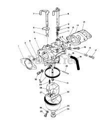
26622 - Toro Walk-Behind Mower (SN: 000003101 - 000999999) (1990) Parts & Diagrams Parts Lists & Diagrams

Walk-Behind Mower