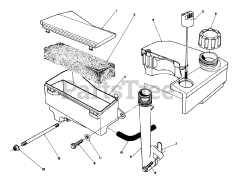
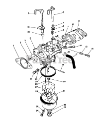
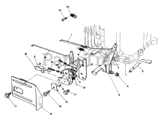
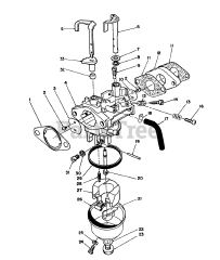
26624 C - Toro Walk-Behind Mower (SN: 009000001 - 009999999) (1989) Parts & Diagrams Parts Lists & Diagrams

Walk-Behind Mower