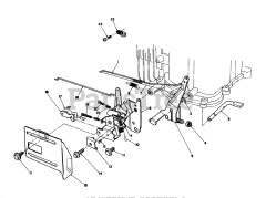
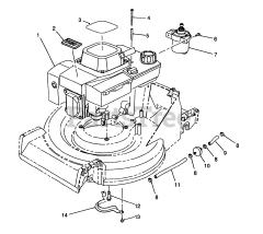
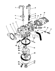
26624 - Toro Walk-Behind Mower (SN: 000000001 - 000001101) (1990) Parts & Diagrams Parts Lists & Diagrams

Walk-Behind Mower