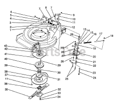
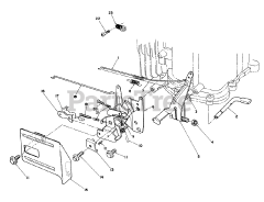
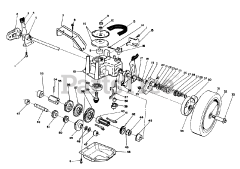
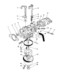
26624 - Toro Walk-Behind Mower (SN: 000001102 - 000999999) (1990) Parts & Diagrams Parts Lists & Diagrams

Walk-Behind Mower