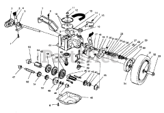
26640 B - Toro Walk-Behind Mower (SN: 049000001 - 049999999) (1994) Parts & Diagrams Parts Lists & Diagrams

Walk-Behind Mower