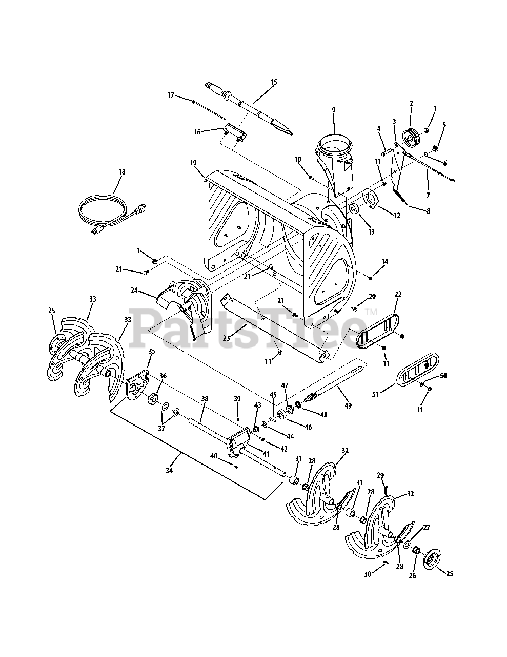
2690 XP (31BM73Q3766) - Troy-Bilt Storm Tracker 26" Track Drive Snow Thrower (2010) Auger & Housing Assembly Parts Diagram

Storm Tracker 26" Track Drive Snow Thrower

Auger & Housing Assembly Parts Diagram

  • Title
1

Troy-Bilt 712-04065

Flange Lock Nut, 3/8-16

$4.49

$

In Stock, Qty 20+

0

2

Troy-Bilt 756-04224

Idler Pulley

$28.99

$

In Stock, Qty 20+

0

3

Troy-Bilt 790-00080A-0637

Auger Idler Bracket w/ Brake
(Superseded to 790-00080D)

$30.99

$

In Stock, only 2 left!

0

4

Troy-Bilt 710-0347

Hex Bolt, 3/8-16 x 1.75

$5.49

$

In Stock, Qty 20+

0

5

Troy-Bilt 938-0281

Shoulder Screw, .625 x .17 x 3/8-16
(Superseded to 738-0281)

$

$

Not available

6

Troy-Bilt 736-0174

Wave Washer, .625 x .885 x .015

$7.49

$

In Stock, Qty 13

0

7

Troy-Bilt 946-0897

Clutch Cable

$26.99

$

In Stock, only 3 left!

0

8

Troy-Bilt 932-0611

Extension Spring, .38 OD x 3.6

$7.99

$

In Stock, Qty 10

0

9

Troy-Bilt 731-07525

Chute Adapter, 5.0

$19.99

$

In Stock, only 1 left!

0

10

Troy-Bilt 710-0703

Carriage Screw, 1/4-20 x .75

$4.49

$

In Stock, Qty 20+

0

11

Troy-Bilt 712-04063

Flange Lock Nut, 5/16-18

$4.49

$

In Stock, Qty 20+

0

12

Troy-Bilt 05931A

Bearing Housing

$11.99

$

Usually ships in 3-6 days

0

13

Troy-Bilt 941-0309

Ball Bearing, .75 ID x 1.85 OD

$79.99

$

Usually ships in 3-6 days

0

14

Troy-Bilt 712-04064

Flange Lock Nut, 1/4-20

$4.49

$

In Stock, Qty 20+

0

15

Troy-Bilt 931-2643

Cleanout Tool

$20.99

$

In Stock, only 2 left!

0

16

Troy-Bilt 731-2635

Cleanout Tool Mount
(Superseded to 731-11421)

$11.99

$

In Stock, Qty 5

0

17

Troy-Bilt 725-0157

Cable Tie, 3/16 x .05 x 7.4

$3.99

$

In Stock, Qty 16

0

18

Troy-Bilt 929-0071

Extension Cord, 3-Prong
(Superseded to 929-0071B)

$22.99

$

In Stock, only 2 left!

0

19

Troy-Bilt 684-04323-4033

Auger Housing, 26"

$

$

Not available

20

Troy-Bilt 710-04484

Hex Washer Screw, 5/16-18 x .750

$3.99

$

In Stock, Qty 20+

0

21

Troy-Bilt 710-0451

Carriage Bolt, 5/16-18 x .750

$4.49

$

In Stock, Qty 20+

0

22

Troy-Bilt 790-00091-4033

Deluxe Skid Shoe
(Superseded to 790-00091-0637)

$32.99

$

In Stock, only 1 left!

0

23

Troy-Bilt 790-00121-4033

Shave Plate, 2.25 x 26"
(Superseded to 790-00121-0637)

$38.99

$

In Stock, only 4 left!

0

24

Troy-Bilt 684-04057A-0637

Impeler Assembly
(Superseded to 684-04057C-0637)

$78.99

$

In Stock, only 3 left!

0

25

Troy-Bilt 790-00087A

Bearing Housing

Variations

790-00087A-0637

Troy-Bilt 790-00087A-0637

Bearing Housing, 1" - POWDER BLACK

$24.99

$

In Stock, only 2 left!

0

790-00087A-0638

Troy-Bilt 790-00087A-0638

Bearing Housing, 1" - MTD/TROY-BILT RED

$24.99

$

In Stock, only 2 left!

0

$22.99

$

Usually ships in 3-6 days

0

26

Troy-Bilt 941-0245

Hex Flange Bearing

$10.99

$

In Stock, Qty 20+

0

27

Troy-Bilt 736-0188

Flat Washer, .76 x 1.49 x .06

$4.99

$

In Stock, Qty 18

0

28

Troy-Bilt 741-0493A

Flange Bushing .800 ID x .910 OD
(Superseded to 741-0493C)

$4.99

$

In Stock, Qty 20+

0

29

$1.99

$

Usually ships in 3-6 days

0

30

Troy-Bilt 714-04040

Bow-Tie Cotter Pin

$1.49

$

In Stock, Qty 20+

0

31

Troy-Bilt 731-04870

Spacer, 1.25 OD x .75 ID x 1.00

$4.99

$

In Stock, Qty 17

0

32

Troy-Bilt 684-04107-0638

Spiral Assembly, LH
(Superseded to 684-04107A-0638)

$94.99

$

In Stock, only 4 left!

0

33

Troy-Bilt 684-04108-0638

Spiral Assembly, RH
(Superseded to 684-04108A-0638)

$100.99

$

In Stock, only 3 left!

0

34

Troy-Bilt 918-04172A

Gearbox Assembly, 26"
(Superseded to 918-04172C)

$460.99

$

In Stock, only 1 left!

0

35

Troy-Bilt 918-0123A

Housing Assembly, RH

$55.99

$

In Stock, only 2 left!

0

36

Troy-Bilt 917-04861

Worm Gear, 2OT

$45.99

$

In Stock, Qty 20+

0

37

Troy-Bilt 936-0351

Flat Washer, .760 ID x 1.50 OD
(Superseded to 736-0351)

$4.49

$

In Stock, Qty 5

0

38

Troy-Bilt 711-04284

Auger Axle, 26"
(Superseded to 711-06144)

$87.99

$

Usually ships in 3-6 days

0

39

Troy-Bilt 721-0325

Plug, 1/4 x .437

$4.99

$

In Stock, Qty 11

0

40

Troy-Bilt 914-0161

Hi-Pro Key, 3/16 x 5/8

$4.99

$

In Stock, only 4 left!

0

41

Troy-Bilt 918-0124A

Housing Assembly, LH

$55.99

$

In Stock, only 1 left!

0

42

Troy-Bilt 710-0642

Hex Washer Screw, 1/4-20 x .750

$4.99

$

In Stock, Qty 20+

0

43

Troy-Bilt 741-0663

Flng. Bearing, .50 ID x .75 OD x .59

$10.99

$

Usually ships in 3-6 days

0

44

Troy-Bilt 736-3084

Flat Washer, .51 x 1.12 x .06

$5.49

$

In Stock, Qty 20+

0

45

Troy-Bilt 715-04021

Dowel Pin, .25 OD x 1.25

$4.49

$

Usually ships in 3-6 days

0

46

Troy-Bilt 718-04071

Thrust Collar, .756 ID x .600

$8.49

$

In Stock, only 4 left!

0

47

Troy-Bilt 741-0662

Flng. Bearing, .75 ID x 1.0 OD x.59

$10.99

$

In Stock, Qty 7

0

48

Troy-Bilt 721-0327

Oil Seal, .75 x 1.131 x .188

$6.99

$

In Stock, Qty 14

0

49

Troy-Bilt 917-04126

Worm Shaft, .75 OD

$84.99

$

In Stock, only 4 left!

0

50

Troy-Bilt 936-0159

Flat Washer, .349 x .879 x .063
(Superseded to 736-0159)

$

$

Not available

51

Troy-Bilt 731-05984A

Deluxe Polymer Skid Shoe

$32.99

$

In Stock, only 4 left!

0