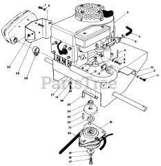
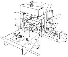
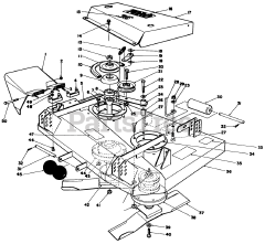
30111 - Toro ProLine Walk-Behind Mower, Gear Drive, 11hp (SN: 004000001 - 004999999) (1984) Parts & Diagrams Parts Lists & Diagrams

ProLine Walk-Behind Mower, Gear Drive, 11hp