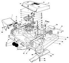
30111 - Toro ProLine Walk-Behind Mower, Gear Drive, 11hp (SN: 005000001 - 005999999) (1985) Parts & Diagrams Parts Lists & Diagrams

ProLine Walk-Behind Mower, Gear Drive, 11hp