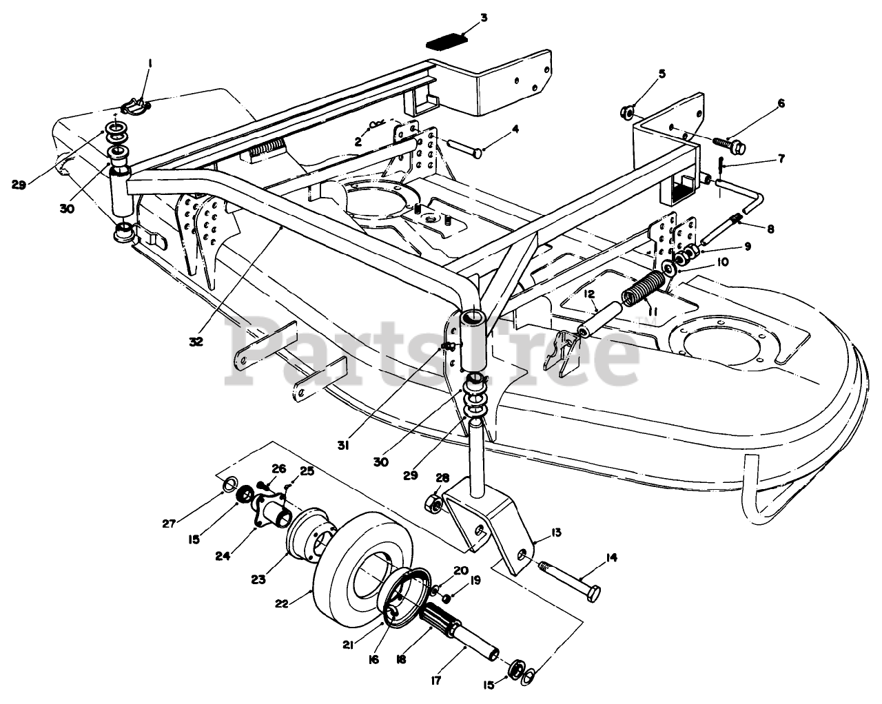
30111 - Toro ProLine Walk-Behind Mower, Gear Drive, 11hp (SN: 006000001 - 006999999) (1986) 52" Carrier Frame Model No. 30152 Parts Diagram

ProLine Walk-Behind Mower, Gear Drive, 11hp

52" Carrier Frame Model No. 30152 Parts Diagram

  • Title
1

Toro 3290-384

PIN-LYNCH

$23.99

$

Usually ships in 3-6 days

0

2

Toro 3290-355

PIN-HAIR

$2.99

$

In Stock, Qty 20+

0

3

Toro 51-3720

See Supercession: 74-0350
(Superseded to 74-0350)

$56.99

$

In Stock, Qty 5

0

4

Toro 283-55

PIN-CLEVIS

$12.99

$

In Stock, only 4 left!

0

5

Toro 32128-27

NUT-LOCK, FLANGE

$4.99

$

Usually ships in 3-6 days

0

6

Toro 3234-6

SCREW-HHF

$3.99

$

Usually ships in 3-6 days

0

7

Toro 3272-7

PIN-COTTER

$1.49

$

In Stock, Qty 12

0

8

Toro 51-3490

DISCONTINUED
(Superseded to 920037)

$

$

Not available

9

Toro 3218-5

NUT-JAM

$1.49

$

In Stock, Qty 10

0

10

Toro 51-3500

WASHER

$2.99

$

Usually ships in 3-6 days

0

11

Toro 47-0960

SPRING-COMPRESSION

$

$

Not available

12

Toro 51-3480

DISCONTINUED

$

$

Not available

13

Toro 40-0370

See Supercession: 40-0370-01
(Superseded to 40-0370-01)

$

$

Not available

14

Toro 328-9

SCREW-HH

$21.99

$

In Stock, only 1 left!

0

15

Toro 54-8840

RETAINER

$6.49

$

In Stock, Qty 6

0

16

Toro 54-8880

DISCONTINUED

$

$

Not available

17

Toro 54-8860

See Supercession: 27-1200
(Superseded to 27-1200)

$15.99

$

In Stock, only 1 left!

0

18

Toro 54-8850

ROLLER BEARING

$

$

Not available

19

Toro 3217-6

NUT-HEX

$1.49

$

In Stock, only 4 left!

0

20

Toro 3253-4

WASHER-LOCK

$0.99

$

In Stock, Qty 20+

0

21

Toro 54-8900

WHEEL HALF-MALE

$39.99

$

Usually ships in 3-6 days

0

22

Toro 54-8870

TIRE 8"(4-PLY)

$82.99

$

Usually ships in 3-6 days

0

23

Toro 54-8910

WHEEL HALF-FEMALE

$39.99

$

Usually ships in 3-6 days

0

24

Toro 54-8830

HUB - CENTERED

$

$

Not available

25

Toro 302-10

FITTING-GREASE

$3.49

$

Usually ships in 3-6 days

0

26

Toro 54-8890

WHEEL BOLT

$0.99

$

Usually ships in 3-6 days

0

27

Toro 57-4250

WHEEL SPACER

$10.99

$

Usually ships in 3-6 days

0

28

Toro 32153-6

NUT-LOCK

$4.49

$

Usually ships in 3-6 days

0

29

Toro 3-6781

WASHER-THRUST

$3.99

$

In Stock, Qty 20+

0

30

Toro 28-9290

See Supercession: 94-1291
(Superseded to 94-1291)

$12.99

$

In Stock, Qty 14

0

31

Toro 302-5

FITTING-GREASE

$3.49

$

In Stock, Qty 20+

0

32

Toro 51-3970

See Supercession: 94-4185
(Superseded to 94-4185)

$

$

Not available

Toro 54-8820

See Supercession: 12-1519
(Superseded to 12-1519)

Note: Not Illustrated.

$

$

Not available