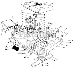
30112 - Toro ProLine Walk-Behind Mower, Gear Drive, 12.5hp (SN: 006000001 - 006999999) (1986) Parts & Diagrams Parts Lists & Diagrams

ProLine Walk-Behind Mower, Gear Drive, 12.5hp