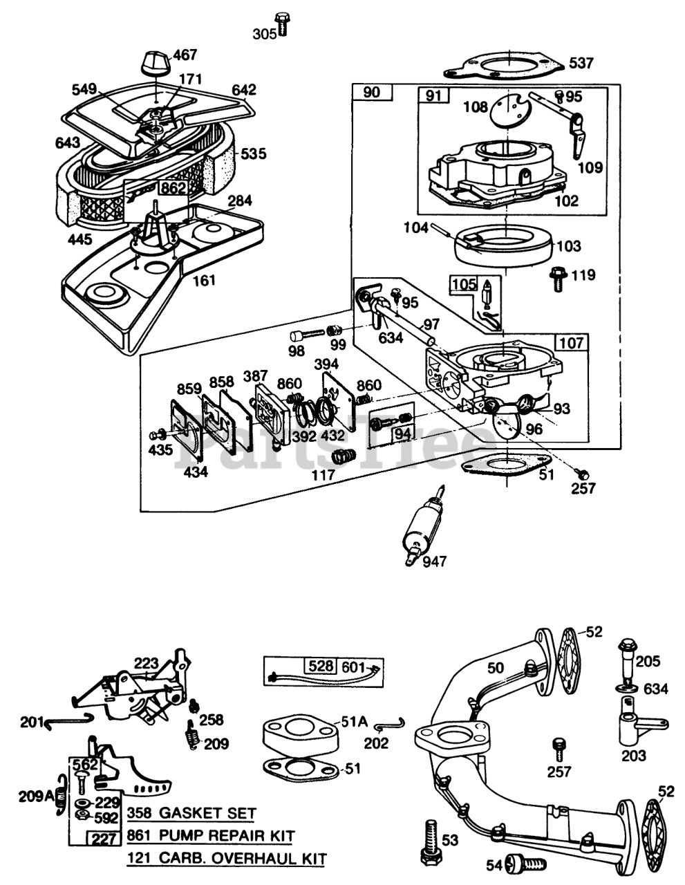
30116 - Toro ProLine Walk-Behind Mower, Gear Drive, 16hp (SN: 006000001 - 006999999) (1986) ENGINE BRIGGS & STRATTON MODEL NO. 402707-0158-01 Parts Diagram

ProLine Walk-Behind Mower, Gear Drive, 16hp

ENGINE BRIGGS & STRATTON MODEL NO. 402707-0158-01 Parts Diagram

  • Title
50

Briggs & Stratton 394374

Mainfold Assembly-Intake
(Superseded to 212965)

$

$

Not available

51

Briggs & Stratton 271412

Gasket-Carb & Intake Elbow
(Superseded to 692278)

Note: Included in Carburetor Overhaul Kit-Part No. 394502.

$5.99

$

In Stock, Qty 15

0

51

Briggs & Stratton 271412

Gasket-Carb & Intake Elbow
(Superseded to 692278)

Note: Included in Gasket Set-Part No. 394501.

$5.99

$

In Stock, Qty 15

0

51A

Briggs & Stratton 280319

Spacer-Carburetor
(Superseded to 691928)

$

$

Not available

52

Briggs & Stratton 270884

Gasket-Intake Manifold Mtg.
(Superseded to 692219)

Note: Included in Gasket Set-Part No. 394501.

$5.49

$

In Stock, only 2 left!

0

53

Briggs & Stratton 93970

Screw-Hex Head (Carburetor to Manifold)
(Superseded to 690321)

$7.49

$

In Stock, only 1 left!

0

$8.99

$

In Stock, Qty 5

0

90

Briggs & Stratton 397245

Carburetor Assembly (Remote Choke)
(Superseded to 693480)

$309.99

$

In Stock, only 2 left!

0

91

Briggs & Stratton 397241

Body Assembly-Upper Carburetor

$

$

Not available

93

Briggs & Stratton 231209

Bushing-Throttle Shaft
(Superseded to 690513)

$8.99

$

Usually ships in 2-12 days

0

94

Briggs & Stratton 292681

Valve Assembly

Note: Included in Carburetor Overhaul Kit-Part No. 394502.

$12.99

$

In Stock, Qty 7

0

95

Briggs & Stratton 93499

Screw
(Superseded to 691437)

$3.99

$

In Stock, only 3 left!

0

96

Briggs & Stratton 221939

Valve-Throttle
(Superseded to 691727)

$7.49

$

Usually ships in 2-12 days

0

97

Briggs & Stratton 392672

Shaft and Lever-Throttle
(Superseded to 690629)

$

$

Not available

98

Briggs & Stratton 91920

Screw
(Superseded to 691615)

$

$

Not available

99

Briggs & Stratton 26157

Spring
(Superseded to 693942)

$

$

Not available

102

Briggs & Stratton 271607

Gasket-Carburetor Body
(Superseded to 273186S)

Note: Included in Carburetor Overhaul Kit-Part No. 394502.

$7.49

$

In Stock, only 2 left!

0

103

Briggs & Stratton 298514

Float-Carburetor
(Superseded to 692265)

$12.99

$

In Stock, Qty 16

0

104

Briggs & Stratton 230896

Pin-Float
(Superseded to 691775)

Note: Included in Carburetor Overhaul Kit-Part No. 394502.

$4.49

$

In Stock, Qty 8

0

105

Briggs & Stratton 299096

Valve-FuelInlet
(Superseded to 394681)

Note: Included in Carburetor Overhaul Kit-Part No. 394502.

$8.49

$

In Stock, Qty 20+

0

107

Briggs & Stratton 397270

Body-LowerCarburetor

$

$

Not available

$8.49

$

Usually ships in 2-12 days

0

109

Briggs & Stratton 392673

Shaft and Lever-Choke
(Superseded to 691957)

$50.99

$

In Stock, only 2 left!

0

$

$

Not available

119

Briggs & Stratton 93496

Screw
(Superseded to 690804)

$

$

Not available

121

Briggs & Stratton 394502

CarburetorOverhaul Kit
(Superseded to 694056)

$36.99

$

In Stock, Qty 20+

0

161

Briggs & Stratton 222861

Body-Air Cleaner

$53.99

$

Usually ships in 2-12 days

0

171

Briggs & Stratton 93715

Nut-Hex
(Superseded to 691626)

$3.99

$

Usually ships in 2-12 days

0

201

Briggs & Stratton 261586

Link-Governor
(Superseded to 493230)

$31.99

$

In Stock, only 3 left!

0

202

Briggs & Stratton 261587

Link-Throttle
(Superseded to 493230)

$31.99

$

In Stock, only 3 left!

0

203

Briggs & Stratton 280320

Crank-Bell
(Superseded to 493230)

$31.99

$

In Stock, only 3 left!

0

205

Briggs & Stratton 93971

Screw-Hex Head
(Superseded to 690322)

$

$

Not available

209

Briggs & Stratton 261720

Spring-Governor

$27.99

$

Usually ships in 2-12 days

0

209A

Briggs & Stratton 261563

Spring-Governor Idle
(Superseded to 691807)

$11.99

$

In Stock, only 2 left!

0

223

Briggs & Stratton 394538

Plate Assy.-Governor Control

$

$

Not available

227

Briggs & Stratton 394470

Lever Assembly-Governor

$

$

Not available

229

Briggs & Stratton 222289

Washer
(Superseded to 692810)

$5.49

$

Usually ships in 2-12 days

0

257

Briggs & Stratton 93897

Screw
(Superseded to 690316)

$4.49

$

Usually ships in 2-12 days

0

258

Briggs & Stratton 93158

Screw
(Superseded to 692198)

$6.49

$

In Stock, Qty 20+

0

284

Briggs & Stratton 93893

Screw
(Superseded to 691100)

$4.49

$

Usually ships in 2-12 days

0

305

Briggs & Stratton 93158

Screw
(Superseded to 692198)

$6.49

$

In Stock, Qty 20+

0

358

Briggs & Stratton 394501

Gasket Set
(Superseded to 495868)

$79.99

$

In Stock, Qty 8

0

387

Briggs & Stratton 280197

Body-Pump
(Superseded to 691896)

$16.99

$

In Stock, only 4 left!

0

392

Briggs & Stratton 261395

Spring-Pump
(Superseded to 691801)

Note: Included in Carburetor Overhaul Kit-Part No. 394502.

$5.49

$

In Stock, Qty 14

0

394

Briggs & Stratton 270988

Diaphragm
(Superseded to 272638S)

Note: Included in Carburetor Overhaul Kit-Part No. 394502.

$7.49

$

In Stock, Qty 8

0

432

Briggs & Stratton 221377

Cap-Spring
(Superseded to 690766)

Note: Included in Carburetor Overhaul Kit-Part No. 394502.

$4.99

$

In Stock, Qty 5

0

434

Briggs & Stratton 222615

Cover-Diaphragm

$

$

Not available

435

Briggs & Stratton 93829

Screw-Diaphragm Cover
(Superseded to 691085)

$

$

Not available

445

Briggs & Stratton 394019

Cartridge-Air Cleaner
(Superseded to 394019S)

$21.99

$

In Stock, Qty 6

0

467

Briggs & Stratton 212706

Knob-Air Cleaner
(Superseded to 691668)

$5.99

$

In Stock, Qty 20+

0

528

Briggs & Stratton 390674

Hose-Fuel
(Superseded to 791766)

$8.49

$

In Stock, Qty 20+

0

535

Briggs & Stratton 271271

Element-Foam
(Superseded to 272490S)

$5.49

$

In Stock, Qty 20+

0

537

Briggs & Stratton 271411

Gasket-AirCleaner
(Superseded to 690273)

Note: Included in Carburetor Overhaul Kit-Part No. 394502.

$5.99

$

In Stock, only 3 left!

0

537

Briggs & Stratton 271411

Gasket-AirCleaner
(Superseded to 690273)

Note: Included in Gasket Set-Part No. 394501.

$5.99

$

In Stock, only 3 left!

0

549

Briggs & Stratton 271180

Washer
(Superseded to 691875)

$8.49

$

Usually ships in 2-12 days

0

562

Briggs & Stratton 93853

Bolt-Governor Lever
(Superseded to 690311)

$4.49

$

In Stock, only 2 left!

0

592

Briggs & Stratton 92278

Nut-Hex
(Superseded to 691029)

$5.99

$

In Stock, only 1 left!

0

601

Briggs & Stratton 93053

Clamp-Hose
(Superseded to 791850)

$3.49

$

In Stock, Qty 20+

0

634

Briggs & Stratton 271013

Washer (Throttle Shaft)
(Superseded to 691872)

Note: Included in Carburetor Overhaul Kit-Part No. 394502.

$

$

Not available

642

Briggs & Stratton 223002

Cover-Air Cleaner

$

$

Not available

643

Briggs & Stratton 222859

Cartridge Plate-Air Cleaner

$16.99

$

Usually ships in 2-12 days

0

858

Briggs & Stratton 270989

Diaphragm-Damping
(Superseded to 691871)

Note: Included in Carburetor Overhaul Kit-Part No. 394502.

$

$

Not available

859

Briggs & Stratton 271025

Gasket-Carburetor Pump
(Superseded to 691873)

Note: Included in Carburetor Overhaul Kit-Part No. 394502.

$8.49

$

In Stock, Qty 7

0

860

Briggs & Stratton 261358

Spring
(Superseded to 691799)

Note: Included in Carburetor Overhaul Kit-Part No. 394502.

$7.99

$

In Stock, Qty 6

0

861

Briggs & Stratton 393397

Repair Kit-Pump

$

$

Not available

862

Briggs & Stratton 394546

Mounting Strap Assembly-Air Cleaner

$

$

Not available

$

$

Not available