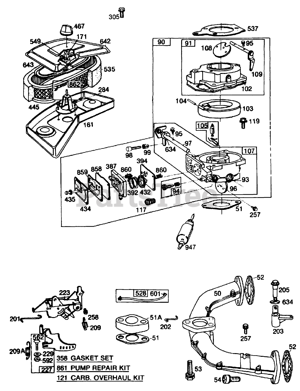
30116 - Toro ProLine Walk-Behind Mower, Gear Drive, 16hp (SN: 007000001 - 007999999) (1987) Engine Briggs Stratton Model No. 402707-0158-01 (continued) 2 Parts Diagram

ProLine Walk-Behind Mower, Gear Drive, 16hp

Engine Briggs Stratton Model No. 402707-0158-01 (continued) 2 Parts Diagram

  • Title
50

Toro 212965

Mainfold Assembly-Intake

$

$

Currently unavailable

51

Toro 271412

Gasket-Carb Intake Elbow

Note: Included in Carburetor Overhaul Kit-Part No. 394502.

$

$

Currently unavailable

51

Toro 271412

Gasket-Carb Intake Elbow

Note: Included in Gasket Set-Part No 394501.

$

$

Currently unavailable

51A

Toro 280319

Spacer-Carburetor

$

$

Currently unavailable

52

Toro 270884

Gasket-Intake Manifold Mtg.

Note: Included in Gasket Set-Part No 394501.

$

$

Currently unavailable

53

Toro 93970

Screw-Hex Head (Carburetor to Manifold)

$

$

Currently unavailable

54

Toro 93208

Screw-Sem

$

$

Currently unavailable

90

Toro 397245

Carburetor Assembly (Remote Choke)

$

$

Currently unavailable

91

Toro 399535

Body Assembly-Upper Carburetor

$

$

Currently unavailable

93

Toro 231209

Bushing-Throttle Shaft
(Superseded to 740856)

$

$

Not available

94

Toro 292681

Valve Assembly

Note: Included in Carburetor Overhaul Kit-Part No. 394502.

$

$

Currently unavailable

95

Toro 93499

Screw

$

$

Currently unavailable

96

Toro 221939

Valve-Throttle

$

$

Currently unavailable

97

Toro 392672

Shaft and Lever-Throttle

$

$

Currently unavailable

98

Toro 91920

Screw

$

$

Currently unavailable

99

Toro 26157

Spring

$

$

Currently unavailable

102

Toro 271607

Gasket-Carburetor Body

Note: Included in Carburetor Overhaul Kit-Part No. 394502.

$

$

Currently unavailable

103

Toro 298514

Float-Carburetor

$

$

Currently unavailable

104

Toro 230896

Pin-Float

Note: Included in Carburetor Overhaul Kit-Part No. 394502.

$

$

Currently unavailable

105

Toro 299096

Valve-FuelInlet

Note: Included in Carburetor Overhaul Kit-Part No. 394502.

$

$

Currently unavailable

107

Toro 399623

Body-Lower Carburetor

$

$

Currently unavailable

108

Toro 223534

Valve-Choke

$

$

Currently unavailable

109

Toro 392673

Shaft and Lever-Choke

$

$

Currently unavailable

117

Toro 231338

Chain
(Superseded to 740433)

$

$

Not available

119

Toro 94152

Screw

$

$

Currently unavailable

121

Toro 394502

CarburetorOverhaul Kit

$

$

Currently unavailable

161

Toro 222861

Body-Air Cleaner

$

$

Currently unavailable

171

Toro 93715

Nut-Hex

$

$

Currently unavailable

201

Toro 261586

Link-Governor

$

$

Currently unavailable

202

Toro 261587

Link-Throttle

$

$

Currently unavailable

203

Toro 280320

Crank-Bell

$

$

Currently unavailable

205

Toro 93971

Screw-Hex Head

$

$

Currently unavailable

209

Toro 261720

Spring-Governor

$

$

Currently unavailable

209A

Toro 261563

Spring-Governor Idle

$

$

Currently unavailable

223

Toro 394538

Plate Assy.-Governor Control

$

$

Currently unavailable

227

Toro 394470

Lever Assembly-Governor

$

$

Currently unavailable

229

Toro 222289

Washer

$

$

Currently unavailable

257

Toro 93897

Screw

$

$

Currently unavailable

258

Toro 93158

Screw

$

$

Currently unavailable

284

Toro 93893

Screw

$

$

Currently unavailable

305

Toro 93158

Screw

$

$

Currently unavailable

358

Toro 394501

Gasket Set

$

$

Currently unavailable

387

Toro 280197

Body-Pump

$

$

Currently unavailable

392

Toro 261395

Spring-Pump

Note: Included in Carburetor Overhaul Kit-Part No. 394502.

$

$

Currently unavailable

394

Toro 270988

Diaphragm

Note: Included in Carburetor Overhaul Kit-Part No. 394502.

$

$

Currently unavailable

432

Toro 221377

Cap-Spring

Note: Included in Carburetor Overhaul Kit-Part No. 394502.

$

$

Currently unavailable

434

Toro 222615

Cover-Diaphragm

$

$

Currently unavailable

435

Toro 93829

Screw-Diaphragm Cover

$

$

Currently unavailable

445

Toro 394019

Cartridge-Air Cleaner

$

$

Currently unavailable

467

Toro 212706

Knob-Air Cleaner

$

$

Currently unavailable

528

Toro 390674

Hose-Fuel

$

$

Currently unavailable

535

Toro 271271

Element-Foam

$

$

Currently unavailable

537

Toro 271411

Gasket-AirCleaner

Note: Included in Carburetor Overhaul Kit-Part No. 394502.

$

$

Currently unavailable

537

Toro 271411

Gasket-AirCleaner

Note: Included in Gasket Set-Part No 394501.

$

$

Currently unavailable

549

Toro 271180

Washer

$

$

Currently unavailable

562

Toro 93853

Bolt-Governor Lever

$

$

Currently unavailable

592

Toro 92278

Nut-Hex

$

$

Currently unavailable

601

Toro 93053

Clamp-Hose

$

$

Currently unavailable

634

Toro 271013

Washer (Throttle Shaft)

Note: Included in Carburetor Overhaul Kit-Part No. 394502.

$

$

Currently unavailable

642

Toro 223002

Cover-Air Cleaner

$

$

Currently unavailable

643

Toro 222859

Cartridge Plate-Air Cleaner

$

$

Currently unavailable

858

Toro 270989

Diaphragm-Damping

Note: Included in Carburetor Overhaul Kit-Part No. 394502.

$

$

Currently unavailable

859

Toro 271025

Gasket-Carburetor Pump

Note: Included in Carburetor Overhaul Kit-Part No. 394502.

$

$

Currently unavailable

860

Toro 261358

Spring

Note: Included in Carburetor Overhaul Kit-Part No. 394502.

$

$

Currently unavailable

861

Toro 393397

Repair Kit-Pump

$

$

Currently unavailable

862

Toro 394546

Mounting Strap Assembly-Air Cleaner

$

$

Currently unavailable

947

Toro 397266

Solenoid

$

$

Currently unavailable