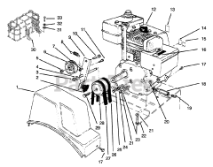
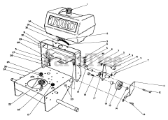
30156 - Toro ProLine Walk-Behind Mower, Gear Drive, 12.5hp (SN: 020000001 - 029999999) (1992) Parts & Diagrams Parts Lists & Diagrams

ProLine Walk-Behind Mower, Gear Drive, 12.5hp