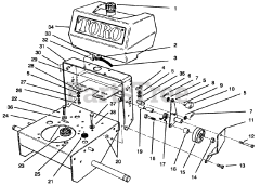
30157 - Toro ProLine Walk-Behind Mower, Gear Drive, 12.5hp (SN: 049000001 - 049999999) (1994) Parts & Diagrams Parts Lists & Diagrams

ProLine Walk-Behind Mower, Gear Drive, 12.5hp