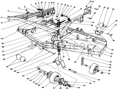
30162 - Toro 62" Side-Discharge Mower Deck (SN: 020000001 - 029999999) (1992) Parts & Diagrams Parts Lists & Diagrams

62" Side-Discharge Mower Deck

30162 - Toro 62" Side-Discharge Mower Deck (SN: 020000001 - 029999999) (1992) > Parts Diagrams (3)