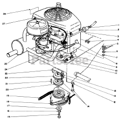
30180 - Toro ProLine Walk-Behind Mower, Gear Drive, 16hp (SN: 010000001 - 019999999) (1991) Parts & Diagrams Parts Lists & Diagrams

ProLine Walk-Behind Mower, Gear Drive, 16hp