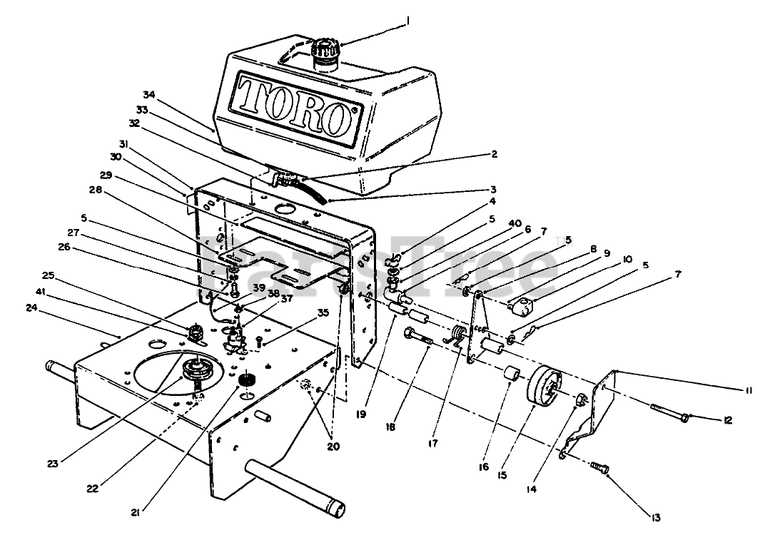
30180 - Toro ProLine Walk-Behind Mower, Gear Drive, 16hp (SN: 049000001 - 049000730) (1994) FRAME ASSEMBLY Parts Diagram

ProLine Walk-Behind Mower, Gear Drive, 16hp

FRAME ASSEMBLY Parts Diagram

  • Title
1

Toro 55-3570

GAS CAP ASM

$15.99

$

In Stock, only 2 left!

0

2

Toro 2412-98

CLAMP-HOSE

$1.99

$

In Stock, Qty 20+

0

3

Toro 47-2982

HOSE-FUEL
(Superseded to 110-4894)

$10.99

$

Usually ships in 3-6 days

0

4

Toro 32103-25

NUT-WING

$5.99

$

Usually ships in 3-6 days

0

5

Toro 3256-23

WASHER-PLAIN

$2.49

$

In Stock, Qty 14

0

6

Toro 68-9690

FITTING-ROD

$60.99

$

Usually ships in 3-6 days

0

7

Toro 3290-307

PIN-COTTER
(Superseded to 1-806003)

$1.99

$

In Stock, Qty 20+

0

8

Toro 74-0220

BRACKET-Idler, LH
(Superseded to 74-0220-01)

$

$

Not available

Toro 74-0230

Bracket-Idler, RH
(Superseded to 74-0230-01)

Note: Not illustrated

$

$

Not available

9

Toro 283-6

PIN-CLEVIS

$2.49

$

In Stock, Qty 10

0

10

Toro 74-0521

FITTING-ROD

$15.99

$

In Stock, only 1 left!

0

11

Toro 67-6380

Bracket-LH
(Superseded to 67-6380-01)

$134.99

$

Usually ships in 3-6 days

0

Toro 67-6370

Bracket-RH
(Superseded to 67-6370-01)

Note: Not illustrated

$134.99

$

Usually ships in 3-6 days

0

12

Toro 323-16

SCREW-HH

$3.49

$

In Stock, only 2 left!

0

13

Toro 323-6

SCREW-HH

$2.99

$

In Stock, Qty 20+

0

14

Toro 3296-23

NUT-LOCK, NI

$1.49

$

In Stock, Qty 20+

0

15

Toro 51-4480

IdlerWheel
(Superseded to 99-5879)

$71.99

$

Usually ships in 3-6 days

0

16

Toro 51-4490

WHEEL IDLER SPACER

$

$

Not available

17

Toro 51-4380

SPRING-TORSION, LH

$18.99

$

In Stock, only 2 left!

0

Toro 51-4370

SPRING-TORSION, RH

Note: Not illustrated

$18.99

$

Usually ships in 3-6 days

0

18

Toro 51-4450

SCREW-LEVELER

$14.99

$

Usually ships in 3-6 days

0

19

Toro 74-0040

SPACER-PIVOT, IDLER

$6.99

$

Usually ships in 3-6 days

0

20

Toro 3296-39

NUT-LOCK, NI

$2.99

$

In Stock, Qty 20+

0

21

Toro 237-124

GROMMET

$2.99

$

Usually ships in 3-6 days

0

22

Toro 323-9

SCREW-HH

$1.49

$

In Stock, Qty 20+

0

23

Toro 51-4810

PULLEY-IDLER

$49.99

$

In Stock, only 2 left!

0

24

Toro 74-0280

FRAME

$1224.99

$

Usually ships in 3-6 days

0

25

Toro 32128-21

NUT-HF

$0.99

$

In Stock, Qty 20+

0

26

Toro 322-4

SCREW-HH

$0.99

$

In Stock, Qty 20+

0

27

Toro 3253-4

WASHER-LOCK

$0.99

$

In Stock, Qty 7

0

28

Toro 66-7400

Plate
(Superseded to 66-7400-01)

$

$

Not available

29

Toro 82-7750

DECAL-GROUND SPEED

$

$

Not available

30

Toro 74-0490

DECAL-FUEL SHUT OFF

$

$

Not available

31

Toro 74-0360

Frame Rear
(Superseded to 74-0360-01)

$

$

Not available

32

Toro 74-0510

VALVE-FUEL

$40.99

$

In Stock, only 2 left!

0

33

Toro 237-7

O-RING

$9.99

$

Usually ships in 3-6 days

0

34

Toro 82-8840

Tank-Fuel

$

$

Currently unavailable

35

Toro 12-3270

SCREW

$3.99

$

In Stock, Qty 13

0

37

Toro 47-1910

SOLENOID
(Superseded to 740207)

$36.99

$

In Stock, only 2 left!

0

38

Toro 32149-2

NUT-KEPS

$2.99

$

In Stock, Qty 20+

0

39

Toro 28-3891

WIRE-SOLENOID/STARTER

$29.99

$

Usually ships in 3-6 days

0

40

Toro 52-2890

BUSHING-NYLON

$3.49

$

In Stock, Qty 20+

0

41

Toro 3256-24

WASHER-FLAT

$0.99

$

In Stock, Qty 20+

0

Toro 71-3040

Replacement Kit
(Superseded to 99-5881)

Note: Not illustrated

$

$

Not available