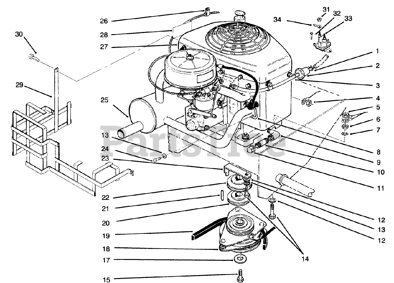
30180 - Toro ProLine Walk-Behind Mower, Gear Drive, 16hp (SN: 069000001 - 069999999) (1996) ENGINE AND CLUTCH Parts Diagram

ProLine Walk-Behind Mower, Gear Drive, 16hp

ENGINE AND CLUTCH Parts Diagram

  • Title
1

Toro 2412-98

CLAMP-HOSE

$1.99

$

In Stock, Qty 20+

0

2

Fuel-Filter

$

$

Not available

3

Toro 47-2982

HOSE-FUEL
(Superseded to 110-4894)

$10.99

$

Usually ships in 3-6 days

0

4

Toro 32149-2

NUT-KEPS

$2.99

$

In Stock, Qty 20+

0

5

Toro 32149-1

NUT-KEPS

$6.49

$

In Stock, only 1 left!

0

6

Toro 32152-1

NUT-LOCK, CONE

$1.99

$

In Stock, only 3 left!

0

7

Toro 3255-8

WASHER-LOCK

$0.99

$

In Stock, only 3 left!

0

8

Toro 68-3240

EXHAUST GASKET F/W ENG.

$

$

Not available

9

Toro 2811-10

ELBOW-STREET, 90 DEG

$

$

Not available

10

Toro 289-48

NIPPLE

$

$

Not available

11

Toro 288-4

CAP-PIPE

$23.99

$

In Stock, only 1 left!

0

12

Toro 3256-23

WASHER-PLAIN

$2.49

$

In Stock, Qty 10

0

13

Toro 3253-4

WASHER-LOCK

$0.99

$

In Stock, Qty 10

0

14

Toro 322-9

SCREW-HH

$3.99

$

In Stock, Qty 13

0

15

Toro 3212-24

SCREW-HH

$

$

Not available

17

Toro 112843

WASHER

$3.99

$

In Stock, Qty 6

0

18

Toro 54-3200

CLUTCH/BRAKE
(Superseded to 105-2635)

$612.99

$

Usually ships in 3-6 days

0

19

Toro 26-9671

BELT V

$37.99

$

In Stock, only 1 left!

0

Toro 54-2750

V-BELT, DRIVE

Note: Not illustrated

$55.99

$

Usually ships in 3-6 days

0

Toro 55-7660

V-BELT

Note: Not illustrated

$60.99

$

In Stock, only 1 left!

0

20

Toro 74-0050

SHEAVE-LOWER HALF

$24.99

$

Usually ships in 3-6 days

0

21

Toro 608006

KEY-SQUARE

$5.49

$

In Stock, only 2 left!

0

22

Toro 74-0060

SHEAVE-UPPER HALF

$24.99

$

Usually ships in 3-6 days

0

23

Toro 51-4540

Retainer-Clutch
(Superseded to 51-4540-03)

$24.99

$

In Stock, only 2 left!

0

24

Toro 3274-10

SCREW-HSH

$11.99

$

In Stock, only 4 left!

0

25

Toro 68-2050

MUFFLER

$

$

Not available

26

Toro 2412-73

CLAMP-R

$3.49

$

Usually ships in 3-6 days

0

27

Engine (Incl. Ref. #2 & 3)

$

$

Not available

28

Toro 93-8069

DECAL-SURFACE, HOT

$12.99

$

Usually ships in 3-6 days

0

29

Toro 93-9464

WA - MUFFLER GUARD B

$

$

Not available

30

Screw-Hex. Hd.(Engine)

$

$

Not available

31

Toro 32149-2

NUT-KEPS

$2.99

$

In Stock, Qty 20+

0

32

Toro 12-3270

SCREW

$3.99

$

In Stock, Qty 9

0

33

Toro 92-9845

Solenoid
(Superseded to 740207)

$36.99

$

In Stock, only 2 left!

0

34

Toro 28-3891

WIRE-SOLENOID/STARTER

$29.99

$

Usually ships in 3-6 days

0