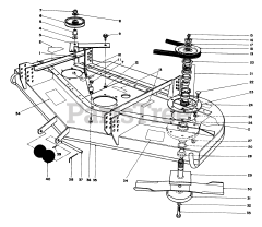
30544 - Toro 44" Mower Deck for Groundsmaster 117/120 (SN: 010000001 - 019999999) (1991) Parts & Diagrams Parts Lists & Diagrams

44" Mower Deck for Groundsmaster 117/120

30544 - Toro 44" Mower Deck for Groundsmaster 117/120 (SN: 010000001 - 019999999) (1991) > Parts Diagrams (79)