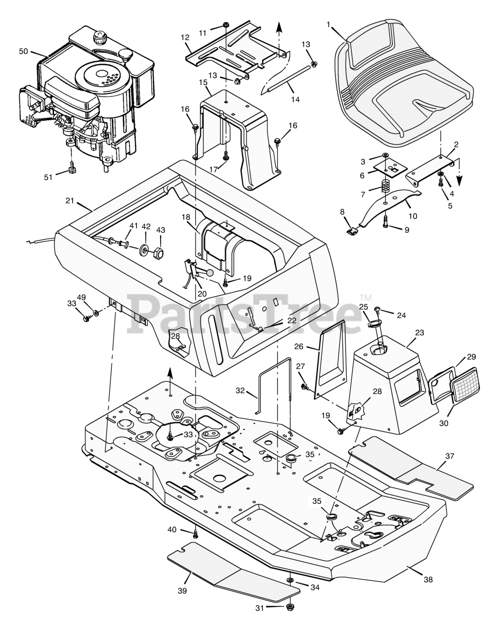
30546x199A - Briggs & Stratton 30" Rear-Engine Riding Mower (1997) (AAFES) Body Chassis Parts Diagram

30" Rear-Engine Riding Mower

Body Chassis Parts Diagram

  • Title
1

$

$

Currently unavailable

2

Murray 56516E701

Hinge, Seat

$

$

Currently unavailable

3

Murray 028X64MA

Retainer
(Superseded to 703297)

$3.99

$

In Stock, Qty 20+

0

4

Murray 018X16MA

Lockwasher

$3.99

$

Usually ships in 2-12 days

0

5

Murray 001X45MA

Bolt, Hex
(Superseded to 703822)

$4.49

$

In Stock, only 2 left!

0

6

Murray 091963 Z

Plate, Seat Switch

$

$

Currently unavailable

7

Murray 164X26MA

Spring, Compression

$3.49

$

Usually ships in 2-12 days

0

8

Murray 091822MA

Glide, Seat Spring

$8.99

$

Usually ships in 2-12 days

0

9

Murray 009X38MA

Bolt, Shoulder

$3.99

$

Usually ships in 2-12 days

0

10

Murray 091964MA

Spring, Seat

$

$

Not available

11

Murray 015X88MA

Locknut, Flange
(Superseded to 704067)

$3.99

$

In Stock, Qty 5

0

12

Murray 56518E701

Bracket, Seat Pivot

$

$

Currently unavailable

13

Murray 028X23MA

Cap, Push On
(Superseded to 703948)

$4.49

$

In Stock, Qty 6

0

14

Murray 565372

Rod, Seat Hinge

$

$

Currently unavailable

15

Murray 56517E701

Support, Seat

$

$

Currently unavailable

16

$

$

Not available

17

Murray 002X53MA

Bolt, Carriage
(Superseded to 703159)

$3.99

$

In Stock, only 3 left!

0

18

Murray 55017E701

Support, Body

Note: (Included with Ref. No. 21)

$

$

Currently unavailable

19

$4.49

$

Usually ships in 2-12 days

0

20

Murray 056598MA

Throttle Control

$28.99

$

Usually ships in 2-12 days

0

$

$

Currently unavailable

22

$4.49

$

Usually ships in 2-12 days

0

23

Murray 056570E245

Console Assembly

$

$

Currently unavailable

24

$4.49

$

Usually ships in 2-12 days

0

25

Murray 056022MA

Bearing, Steering Post

$

$

Not available

26

Murray 055023E700

Console, Plate

$

$

Currently unavailable

27

$4.49

$

Usually ships in 2-12 days

0

28

$3.49

$

Usually ships in 2-12 days

0

29

Murray 056241 Z

Reflector

$

$

Currently unavailable

30

$

$

Not available

31

Murray 015X66MA

Locknut
(Superseded to 703914)

$3.49

$

In Stock, only 2 left!

0

32

Murray 548002

Clamp, Battery

$

$

Currently unavailable

33

$4.49

$

Usually ships in 2-12 days

0

34

Murray 17X382

Washer

$

$

Currently unavailable

35

Murray 021268

Grommet

$

$

Currently unavailable

37

Murray 092637

Mat, Left

$

$

Currently unavailable

38

Murray 56611E245

Frame Assembly

$

$

Currently unavailable

39

Murray 092636

Mat, Right

$

$

Currently unavailable

40

$3.99

$

Usually ships in 2-12 days

0

41

$37.99

$

Usually ships in 2-12 days

0

42

Murray 0019X8MA

Washer
(Superseded to 703864)

$4.49

$

Usually ships in 2-12 days

0

$3.49

$

Usually ships in 2-12 days

0

49

Murray 0019X6

Washer

$

$

Not available

50

Engine *

$

$

Not available

51

Murray 0025X7MA

Bolt, Engine Mount
(Superseded to 2828635SM)

$4.99

$

Usually ships in 2-12 days

0

--

Murray F-97629

Owner's Manual

$

$

Currently unavailable

--

Murray F-97630

Parts List

$

$

Currently unavailable

--

Murray 44X6768

Decal, Right Panel

$

$

Currently unavailable

--

Murray 44X6769

Decal, Left Panel

$

$

Currently unavailable

--

Murray 44X6651

Decal, Shift

$

$

Currently unavailable

--

Murray 44X6656

Decal, Front

$

$

Currently unavailable

--

Murray 44X7017

Decal, Operation

$

$

Currently unavailable

--

Murray 44X6554

Decal, Clutch/Brake

$11.99

$

In Stock, only 1 left!

0