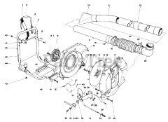
30940 - Toro 40cc Backpack Blower (SN: 005000001 - 005999999) (1985) Parts & Diagrams Parts Lists & Diagrams

40cc Backpack Blower

30940 - Toro 40cc Backpack Blower (SN: 005000001 - 005999999) (1985) > Parts Diagrams (4)