30941 - Toro 41cc Backpack Blower (SN: 000000001 - 000999999) (1990) Parts & Diagrams Parts Lists & Diagrams

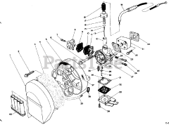
41cc Backpack Blower

30941 - Toro 41cc Backpack Blower (SN: 000000001 - 000999999) (1990) > Parts Diagrams (4)