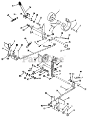
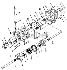
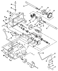
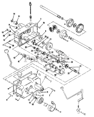
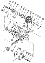
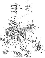
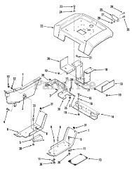
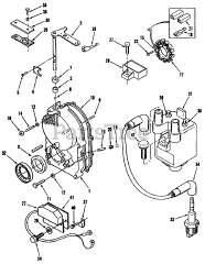
31-10K803 (310-8) - Toro Garden Tractor (SN: 020000001 - 029999999) (1992) Parts & Diagrams Parts Lists & Diagrams

Garden Tractor