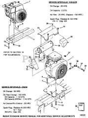
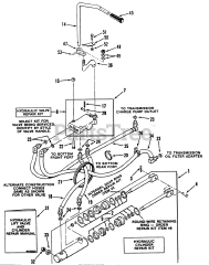
31-12K802 (312-8) - Toro Garden Tractor (SN: 010000001 - 019999999) (1991) Parts & Diagrams Parts Lists & Diagrams

Garden Tractor