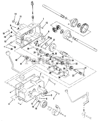
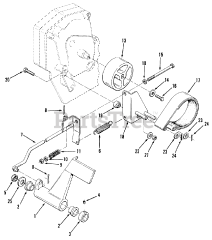
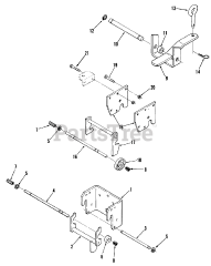
31-14K802 (414-8) - Toro Garden Tractor (1987) Parts & Diagrams Parts Lists & Diagrams

Garden Tractor