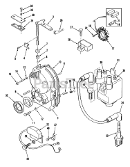
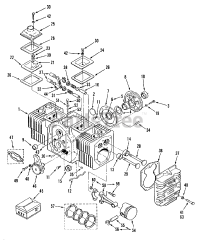
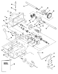
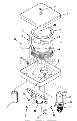
31-14K804 (414-8) - Toro Garden Tractor (1989) Parts & Diagrams Parts Lists & Diagrams

Garden Tractor