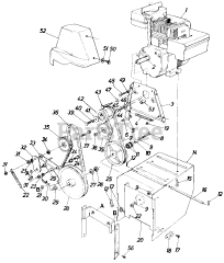
31340-7 - MTD Snow Thrower (1987) Parts & Diagrams Parts Lists & Diagrams

Snow Thrower

31340-7 - MTD Snow Thrower (1987) > Parts Diagrams (4)