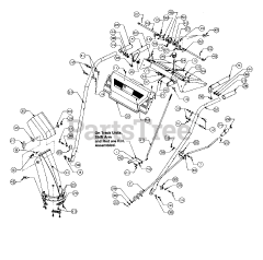
315E740F000 - MTD Snow Thrower (1995) Parts & Diagrams Parts Lists & Diagrams

Snow Thrower