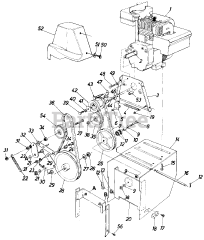
317-586-000 - MTD Snow Thrower (1987) Parts & Diagrams Parts Lists & Diagrams

Snow Thrower

317-586-000 - MTD Snow Thrower (1987) > Parts Diagrams (4)