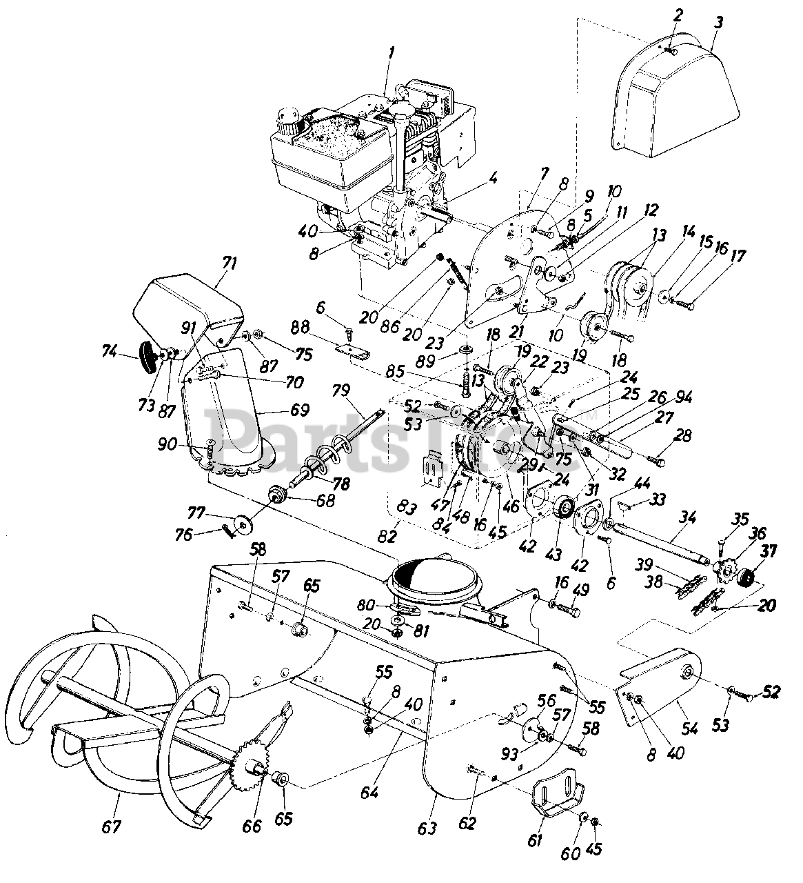
319-225-000 - MTD Snow Thrower (1989) Parts Parts Diagram

Snow Thrower

Parts Parts Diagram

  • Title
1

Engine

$

$

Not available

2

MTD 710-0289

Hex Bolt 1/4-20 x .50" Lg.*
(Superseded to 910-0289)

$3.99

$

In Stock, only 3 left!

0

3

MTD 05621

Belt Cover

$

$

Not available

4

MTD 714-0105

Sq. Key 3/16 x 1.00" Lg.
(Superseded to 914-0105)

$3.99

$

In Stock, only 1 left!

0

5

MTD 712-0256

Hex Jam Nut 5/16-24 Thd.

$

$

Not available

6

MTD 710-0600

Hex Wash. Hd. Self-Tap Scr. 5/16-24 x .50" Lg.

$

$

Not available

7

MTD 05821

Engine Plate Ass'y.

$

$

Currently unavailable

8

MTD 736-0119

L-Wash. 5/16" I.D.
(Superseded to 936-0119)

$4.99

$

In Stock, Qty 20+

0

9

MTD 710-0237

Hex Bolt 5/16-24 x .62" Lg.

$4.99

$

In Stock, only 2 left!

0

10

MTD 746-0374

Drive Clutch Control Cable
(Superseded to 946-0374)

$59.99

$

Usually ships in 3-6 days

0

11

MTD 738-0347

Shld. Spacer
(Superseded to 938-0347)

$10.99

$

In Stock, Qty 6

0

12

MTD 712-0116

Hex Ins. Jam L-Nut 3/8-24 Thd.

$4.99

$

In Stock, only 3 left!

0

13

MTD 754-0205

V-Belt
(Superseded to 954-0205)

$29.99

$

In Stock, only 1 left!

0

14

MTD 756-0257

Engine Pulley

$

$

Not available

15

MTD 736-0247

Fl-Wash. .40 I.D. x 1.25 O.D. x .1 57

$10.99

$

In Stock, Qty 10

0

16

MTD 736-0169

L-Wash. 3/8" I.D.

$3.99

$

In Stock, Qty 13

0

17

MTD 710-0191

Hex Bolt 3/8-24 x 1.25" Lg.

$4.99

$

In Stock, Qty 7

0

18

MTD 710-0723

Hex Bolt 3/8-16 x 1.25" Lg.*

$4.99

$

In Stock, only 2 left!

0

19

MTD 756-0137

Flat Idler 2.25 O.D.

$

$

Not available

20

MTD 712-0107

Hex Cent. L-Nut 1/4-20 Thd.
(Superseded to 912-0107)

$4.99

$

In Stock, only 1 left!

0

21

MTD 05823

Drive Idler Bracket Ass'y.

$

$

Currently unavailable

22

MTD 05556

Thrower Idler Bracket Ass'y.

$

$

Currently unavailable

23

MTD 712-0266

Hex Cent. Jam L-Nut 3/8-16 Thd.
(Superseded to 712-0266A)

$4.49

$

In Stock, Qty 10

0

24

MTD 714-0507

Cotter Pin 3/32" Dia. x .75"

$4.99

$

In Stock, only 2 left!

0

25

MTD 747-0174

Clutch Rod 5/16" Dia. x 2.88 Lg.

$

$

Currently unavailable

26

MTD 748-0234

Shoulder Spacer

$4.99

$

In Stock, only 3 left!

0

27

MTD 05559

Thrower Clutch Bracket

$

$

Currently unavailable

28

MTD 710-0322

Hex Sems Scr. 5/16-18 x 1.00" Lg.

$

$

Not available

29

MTD 738-0281

Shoulder Scr. .625" Dia. x .1 70"

$11.99

$

In Stock, only 3 left!

0

31

MTD 736-0231

Fl-Wash. .34 I.D. x 1.12 O.D. x .125

$4.99

$

In Stock, Qty 18

0

32

MTD 712-0266

Hex Jam L-Nut 3/8-16 Thd.
(Superseded to 712-0266A)

$4.49

$

In Stock, Qty 10

0

33

MTD 714-0138

Woodruff Key 5/32 x 5/8 Dia.

$

$

Not available

34

MTD 753-0206

Thrower Shaft 20" and Snap Ring

$

$

Not available

35

MTD 710-0606

Hex Bolt 1/4-20 x 1.5" Lg.

$5.99

$

In Stock, only 2 left!

0

36

MTD 05156

14 Teeth Sprocket Hub Ass'y.

$

$

Not available

37

MTD 741-0155

Ball Bearing .625 I.D. x 1.38 O.D. x .438
(Superseded to 941-0155)

$25.99

$

In Stock, only 2 left!

0

38

MTD 713-0106

#41 Chain-1/2" Pitch x 63 Links
(Superseded to 913-0106)

$

$

Not available

39

MTD 713-0723

#41 Master Link 1/2" Pitch
(Superseded to 913-0723)

$

$

Not available

40

MTD 712-0267

Hex Nut 5/16-18 Thd.
(Superseded to 912-3010)

$4.99

$

In Stock, Qty 20+

0

42

MTD 05244

Bearing Housing
(Superseded to 05244B)

$25.99

$

In Stock, only 2 left!

0

43

MTD 741-0174

Self Align. Brg. .750 I.D.
(Superseded to 941-0174)

$133.99

$

Usually ships in 3-6 days

0

44

See Ref. No. 34

$

$

Not available

45

MTD 712-0342

Hex Jam Nut 3/8-16 Thd.
(Superseded to 912-3008)

$4.99

$

In Stock, Qty 12

0

46

MTD 756-0258

1/2" V-Pulley .753 I.D.

$

$

Currently unavailable

47

MTD 756-0325

5.25" O.D. Pulley with 9 Teeth Sprocket

$

$

Currently unavailable

48

MTD 738-0481

Shoulder Scr. .498" Dia. x 2.62" Lg.
(Superseded to 938-0481A)

$7.49

$

In Stock, Qty 7

0

49

MTD 710-0623

Hex Self-Tap Scr. 3/8-16 x .75"

$4.49

$

In Stock, Qty 12

0

52

MTD 710-0538

Hex L-Bolt 5/16-18 x .62" Lg.

$4.99

$

In Stock, only 2 left!

0

53

MTD 736-0242

Belleville Wash. .34 I.D. x .88 O.D. x .060

$4.99

$

In Stock, Qty 20+

0

54

MTD 05563A

Chain Guard

$

$

Currently unavailable

55

MTD 710-0260

Carriage Bolt 5/16-18 x .62" Lg.
(Superseded to 710-0260A)

$4.49

$

In Stock, Qty 20+

0

56

MTD 06605

Chain Adjuster

$

$

Currently unavailable

57

MTD 736-0169

L-Wash. 3/8" I.D.

$3.99

$

In Stock, Qty 13

0

58

MTD 710-0152

Hex Scr. 3/8-24 x 1.0" Lg.
(Superseded to 710-1039)

$4.99

$

In Stock, Qty 14

0

MTD 712-0342

Hex Jam Nut 3/8-16 Thd.
(Superseded to 912-3008)

$4.99

$

In Stock, Qty 12

0

60

MTD 736-0105

Belleville Wash. .40 I.D. x .88 O.D.

$4.99

$

In Stock, Qty 6

0

61

MTD 05002

Slide Shoe
(Superseded to 05002-0637)

Variations

05002-0637

MTD 05002-0637

SLIDE SHOE - POWDER BLACK (0637)

$

$

Not available

$

$

62

MTD 710-0790

Carriage Bolt 3/8-16 x .62"
(Superseded to 710-0389)

$4.99

$

Usually ships in 3-6 days

0

63

MTD 784-5034

Spiral Housing Ass'y. 20"

$

$

Currently unavailable

64

MTD 05001

Shave Plate

Variations

05001-0637

MTD 05001-0637

No Longer Available PLATE-SHAV - POWDER BLACK (0637)

$

$

Not available

$

$

65

MTD 748-0110

Flange Bearing .630 I.D.

$9.49

$

Usually ships in 3-6 days

0

66

MTD 711-0520

Spiral Shaft

$

$

Not available

67

MTD 05539

Spiral Ass'y.-20"

$

$

Currently unavailable

68

MTD 741-0403

Hex Bushing

$

$

Not available

69

MTD 731-0840B

Lower Chute
(Superseded to 931-0840B)

$89.99

$

Usually ships in 3-6 days

0

70

MTD 710-0276

Carriage Bolt 5/16-18 x 1.0"

$4.49

$

In Stock, Qty 15

0

71

MTD 731-0846B

Upper Chute
(Superseded to 731-0846C)

$55.99

$

In Stock, only 2 left!

0

73

MTD 736-0242

Belleville Wash. .34 I.D. x .88

$4.99

$

In Stock, Qty 20+

0

74

MTD 09966

Handle Knob Ass'y.
(Superseded to 720-04072A)

$7.49

$

In Stock, Qty 20+

0

75

MTD 712-0158

Hex Cent. L-Nut 5/16-18 Thd.
(Superseded to 912-0158)

$3.49

$

In Stock, Qty 14

0

76

MTD 714-0507

Cotter Pin 3/32" Dia. x .75"

$4.99

$

In Stock, only 2 left!

0

77

MTD 736-0133

Fl-Wash. .406" I.D. x 1.25"

$5.99

$

In Stock, Qty 7

0

78

MTD 736-0140

Fl-Wash. .385" I.D. x .62"

$7.49

$

In Stock, Qty 12

0

79

MTD 784-5064

Chute Crank Ass'y. 10" Lg.

$

$

Not available

80

MTD 731-0851

Chute Flange Keeper
(Superseded to 731-0851A)

$4.49

$

In Stock, Qty 17

0

81

MTD 736-0142

Fl-Wash..281" I.D.

$4.99

$

In Stock, Qty 20+

0

82

MTD 05963

Frame Ass'y.

$

$

Currently unavailable

83

MTD 05673

Belt Guard Plate

$

$

Currently unavailable

84

MTD 710-0726

Hex Wash. Self-Tap Scr. 5/16-18 x .75" Lg.

$4.49

$

In Stock, Qty 11

0

85

MTD 710-0442

Hex Scr. 5/16-18 x 1.50" Lg.
(Superseded to 710-0805A)

$4.99

$

In Stock, Qty 9

0

86

MTD 732-0264

Ext. Spring .38 O.D. x 2.50"
(Superseded to 932-0264)

$5.49

$

In Stock, Qty 20+

0

87

MTD 736-0231

Fl-Wash. .344 I.D.

$4.99

$

In Stock, Qty 18

0

88

MTD 05810

Belt Guard

$

$

Currently unavailable

89

MTD 736-0264

Fl-Wash. .34 I.D. x .62 O.D. x .060

$7.49

$

In Stock, only 2 left!

0

90

MTD 710-0255

Truss Mach. Scr. 1/4-20 x .75"
(Superseded to 710-0924)

$4.99

$

In Stock, Qty 20+

0

91

MTD 710-0323

Truss Mach. Scr. 5/16-18 x .75"

$4.99

$

In Stock, only 2 left!

0

93

MTD 736-0258

Fl-Wash. .385" I.D. x 1.0" O.D.

$4.99

$

In Stock, Qty 11

0

94

MTD 736-0343

Fl-Wash. .33" I.D. x 1.25" O.D.

$4.99

$

In Stock, only 2 left!

0

MTD 725-0954

Ignition Key
(Superseded to TC-35062)

Note: (Not Shown)

$

$

Not available