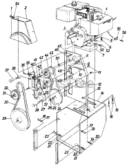
31960S - MTD Snow Thrower (1985) Parts & Diagrams Parts Lists & Diagrams

Snow Thrower

31960S - MTD Snow Thrower (1985) > Parts Diagrams (4)