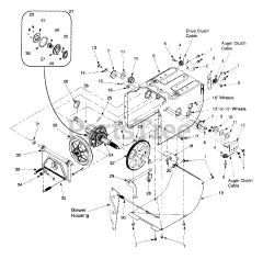
31AE644E129 - Yard Machines Snow Thrower (1999) (Home Depot) Parts & Diagrams Parts Lists & Diagrams

Snow Thrower

31AE644E129 - Yard Machines Snow Thrower (1999) (Home Depot) > Parts Diagrams (6)