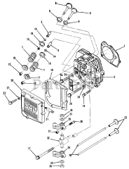
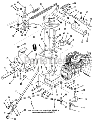
32-1205A1 (212-5) - Toro Lawn Tractor (SN: 010000001 - 019999999) (1991) Parts & Diagrams Parts Lists & Diagrams

Lawn Tractor