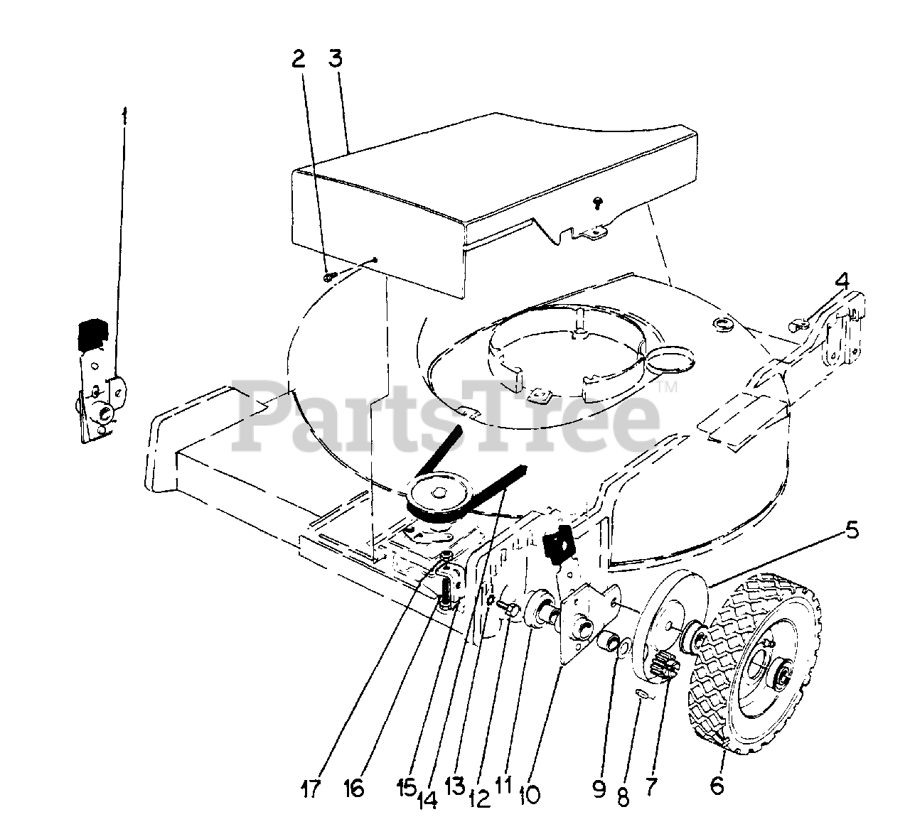
3342 - International Harvester 21" Self-Propelled Walk-Behind Mower (1977 - 1983) Front Wheels, Drive Belt And Pinion Gears Parts Diagram

21" Self-Propelled Walk-Behind Mower

Front Wheels, Drive Belt And Pinion Gears Parts Diagram

  • Title
1

Cub Cadet IH-73813-C1

ARM, PIVOT RH

$

$

Currently unavailable

$

$

Currently unavailable

3

Cub Cadet IH-73563-C1

COVER, BELT DRIVE

$

$

Not available

4

Cub Cadet IH-73605-C1

CLAMP, CABLE

$

$

Currently unavailable

5

Cub Cadet IH-73814-C1

COVER, WHEEL

$

$

Currently unavailable

6

Cub Cadet IH-73804-C1

WHEEL & TIRE ASSY, FRONT

$

$

Not available

7

Cub Cadet IH-73803-C1

GEAR, PINION

$

$

Not available

8

Cub Cadet IH-19371-R1

PIN, 1/8 X 3/4 HVY COILED SPRING

$

$

Not available

9

Cub Cadet IH-73801-C1

WASHER, THRUST

$

$

Currently unavailable

10

Cub Cadet IH-73812-C1

ARM, PIVOT LH

$

$

Currently unavailable

11

$

$

Currently unavailable

12

Cub Cadet IH-180079

BOLT, 5/16-18 X 1 ZND HEX-HD
(Superseded to 710-0376)

$4.49

$

In Stock, Qty 20+

0

13

Cub Cadet IH-23060-R1

WASHER, 5/16 INT TOOTH LOCK

$

$

Currently unavailable

14

Cub Cadet IH-73810-C1

BELT, DRIVE

$

$

Not available

15

Cub Cadet IH-73634-C1

BRACKET, ADJUSTING

$

$

Currently unavailable

$

$

Currently unavailable

17

Cub Cadet IH-21222-R1

NUT, 1/4-2C LOCK
(Superseded to 712-0324)

$3.99

$

In Stock, Qty 20+

0