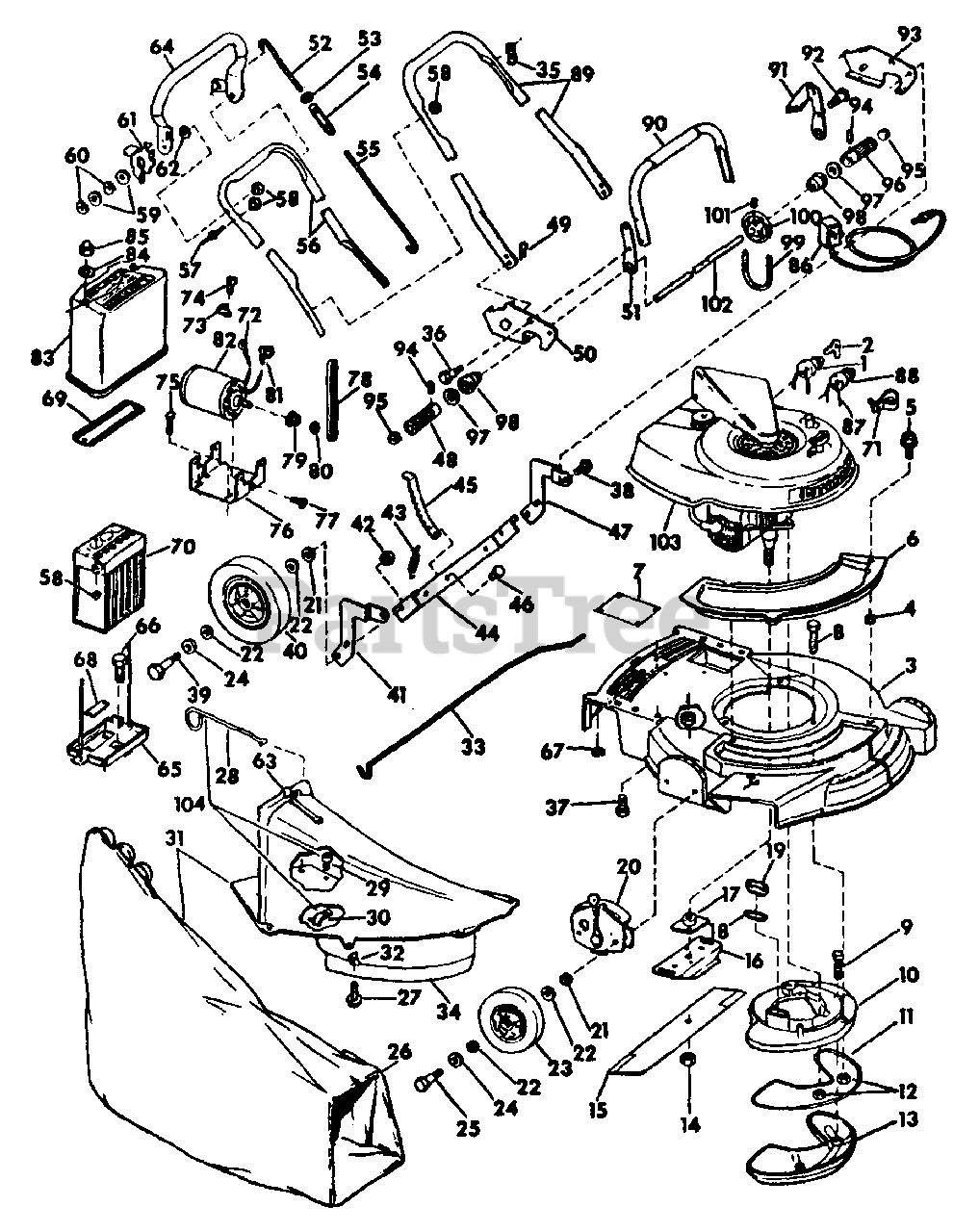
335 - International Harvester 21" Self-Propelled Walk-Behind Mower (1971) Frame, Blade And Wheels Parts Diagram

21" Self-Propelled Walk-Behind Mower

Frame, Blade And Wheels Parts Diagram

  • Title
1

$

$

Currently unavailable

$

$

Currently unavailable

3

Cub Cadet IH-55592-C91

HOUSING ASSY, 21 IN

Note: (REPLACES IH-545096-R91)

$

$

Currently unavailable

Cub Cadet IH-24644-R1

SCREW, 5/16-18 X 1-5/8 TYPE 8 HEX-HD CAP

$

$

Currently unavailable

4

Cub Cadet IH-540590-R1

NUT, GROMMET

$

$

Currently unavailable

5

Cub Cadet IH-544346-R1

SCREW, HEX-HD

$

$

Currently unavailable

6

Cub Cadet IH-545157-R1

COVER, CHUTE OPENING

$

$

Currently unavailable

Cub Cadet IH-145067

SCREW, NO. 6, X 3/8 RD-HD METALLIC DRIVE

$

$

Currently unavailable

7

Cub Cadet IH-544347-R1

COVER, POCKET

$

$

Currently unavailable

8

Cub Cadet IH-544286-R1

SCREW, MUFFLER PLATE TO HSG

$

$

Currently unavailable

9

Cub Cadet IH-544287-R1

SCREW, MUFFLER TO MUFFLER PLATE

$

$

Currently unavailable

10

Cub Cadet IH-544288-R2

PLATE W/SCREW, MUFFLER

$

$

Currently unavailable

Cub Cadet IH-180085

BOLT, 5/16 X 1-3/4 TYPE 5

$

$

Currently unavailable

11

Cub Cadet IH-544289-R1

GASKET, MUFFLER

$

$

Currently unavailable

12

$

$

Currently unavailable

$

$

Currently unavailable

Cub Cadet IH-273924

NUT, 1/4-20 CAD TORQUE HEX.

$

$

Currently unavailable

14

$

$

Currently unavailable

15

Cub Cadet IH-544348-R1

BLADE, 21 IN.

$

$

Not available

Cub Cadet IH-557269-R1

WASHER, 21/32 X 2 X 16 GA

$

$

Currently unavailable

16

Cub Cadet IH-544295-R1

STIFFENER, BLADE

$

$

Currently unavailable

17

Cub Cadet IH-544297-R1

COLLAR & PLATE

$

$

Currently unavailable

18

Cub Cadet IH-544298-R1

GASKET, EXHAUST

$

$

Not available

19

Cub Cadet IH-544299-R1

SLEEVE, EXHAUST GASKET

$

$

Currently unavailable

20

Cub Cadet IH-544301-R1

ADJUSTMENT, HEIGHT

$

$

Currently unavailable

Cub Cadet IH-454869

SCREW, 5/16-18 X 3/4 ZND HEX-HD CAP

$

$

Currently unavailable

$

$

Currently unavailable

22

Cub Cadet IH-544304-R1

WASHER, FELT

$

$

Currently unavailable

23

Cub Cadet IH-544305-R1

WHEEL & TIRE, 6 IN.

$

$

Not available

24

Cub Cadet IH-544306-R1

WASHER, WHEEL BOLT HD

$

$

Currently unavailable

25

Cub Cadet IH-544307-R1

BOLT, WHEEL FRT SHOULDER
(Superseded to 938-0373)

$9.99

$

In Stock, Qty 20+

0

26

$

$

Not available

$

$

Currently unavailable

28

Cub Cadet IH-548491-R1

GUARD, WHEEL

$

$

Currently unavailable

$

$

Currently unavailable

30

$

$

Currently unavailable

31

Cub Cadet IH-545088-R91

CHUTE ASSY

Note: (CONSISTS OF REF NOS 26, 33 & 34)

$

$

Currently unavailable

32

$

$

Not available

Cub Cadet IH-453996

NUT, 8-32 CAD HEX-MACH SCREW
(Superseded to 712-0142)

$4.99

$

In Stock, only 3 left!

0

Cub Cadet IH-25633-R1

SCREW, 8-32 X 7/16 C-Z PAN-HD SLT MACH

$

$

Currently unavailable

33

Cub Cadet IH-544312-R1

ROD, GRASS BAR

$

$

Currently unavailable

34

SKIRT ASSY, CHUTE

Note: (NOT SERVICED SEPARATELY ORDER CHUTE, IH-545088-R91)

$

$

Not available

35

$

$

Currently unavailable

36

Cub Cadet IH-544314-R1

BOLT, SHOULDER

$

$

Currently unavailable

37

Cub Cadet IH-544315-R1

SCREW, HANDLE BRACKET

$

$

Currently unavailable

38

Cub Cadet IH-544316-R1

BOLT, SHOULDER

$

$

Currently unavailable

39

Cub Cadet IH-544317-R1

BOLT, REAR WHEEL

$

$

Currently unavailable

40

Cub Cadet IH-55031-C1

WHEEL AND TIRE, 8 IN.

Note: (HEAVY DUTY)

$

$

Currently unavailable

41

Cub Cadet IH-544321-R1

BRACKET, WHEEL RIGHT REAR

$

$

Currently unavailable

42

Cub Cadet IH-544322-R1

NUT, REAR WHEEL BOLT

$

$

Currently unavailable

43

Cub Cadet IH-544323-R1

SPRING, HEIGHT ADJ

$

$

Currently unavailable

$

$

Currently unavailable

45

Cub Cadet IH-544326-R1

LEVER, HEIGHT ADJ REAR

$

$

Currently unavailable

$

$

Currently unavailable

Cub Cadet IH-108629

PIN, 3/32 X 7/8 COT.
(Superseded to 914-0111)

$5.49

$

In Stock, Qty 20+

0

47

Cub Cadet IH-545132-R1

BRACKET, WHEEL REAR LH

$

$

Currently unavailable

48

Cub Cadet IH-544627-R1

ROLLER, DRIVE RIGHT

$

$

Currently unavailable

49

$

$

Currently unavailable

50

Cub Cadet IH-544330-R1

BRACKET, HANDLE RIGHT

$

$

Currently unavailable

51

Cub Cadet IH-544331-R1

BRACKET, BRG CARRIER RH

$

$

Currently unavailable

Cub Cadet IH-180018

SCREW, 1/4-20 X 5/8 ZND HEX-HD CAP
(Superseded to 710-0751)

$4.49

$

In Stock, Qty 20+

0

52

Cub Cadet IH-544333-R1

ROD, CONTROL UPPER

$

$

Currently unavailable

$

$

Currently unavailable

54

$

$

Currently unavailable

Cub Cadet IH-144233

NUT, 10-24 ZND WING

$

$

Currently unavailable

55

Cub Cadet IH-544337-R1

ROD, CONTROL LOWER

$

$

Currently unavailable

56

Cub Cadet IH-544338-R1

HANDLE, CENTER

$

$

Currently unavailable

57

Cub Cadet IH-544339-R1

PIN, LOCKOUT

$

$

Currently unavailable

58

Cub Cadet IH-378531-R1

NUT, CENTERLOCK

$

$

Currently unavailable

$

$

Currently unavailable

60

Cub Cadet IH-544342-R1

WASHER, WAVE

$

$

Currently unavailable

61

Cub Cadet IH-544343-R1

CLIP, LOCKOUT

$

$

Currently unavailable

$

$

Currently unavailable

63

$

$

Currently unavailable

64

Cub Cadet IH-545102-R1

HANDLE & GRIP

$

$

Currently unavailable

65

Cub Cadet IH-544354-R1

BRACKET, BATTERY MTG

$

$

Currently unavailable

66

Cub Cadet IH-544355-R1

SCREW, BATTERY BRACKET

$

$

Currently unavailable

67

Cub Cadet IH-545109-R1

WASHER, BATTERY MTG BRACKET

$

$

Currently unavailable

68

Cub Cadet IH-544356-R1

STRAP, BATTERY MTG BRACKET

$

$

Currently unavailable

Cub Cadet IH-14993-R1

BOLT, 1/4-20 X 3/4 SQ-NK CRG

$

$

Currently unavailable

69

Cub Cadet IH-544358-R1

BRACKET, BATTERY HOLD-DOWN

$

$

Currently unavailable

$

$

Currently unavailable

71

Cub Cadet IH-544359-R1

RETAINER, WIRE LEAD TO TANK BRACKET

$

$

Currently unavailable

72

Cub Cadet IH-544360-R1

TERMINAL, MOTOR TO BATTERY

$

$

Currently unavailable

Cub Cadet IH-180018

SCREW, 1/4-20 X 5/8 ZND HEX-HD CAP
(Superseded to 710-0751)

$4.49

$

In Stock, Qty 20+

0

73

Cub Cadet IH-98083-H

CLAMP, PIPE

$

$

Currently unavailable

$

$

Currently unavailable

75

Cub Cadet IH-544363-R1

SCREW, MOTOR & SWITCH MTG

$

$

Currently unavailable

76

Cub Cadet IH-544364-R1

BRACKET, MOTOR MTG

$

$

Currently unavailable

77

Cub Cadet IH-544365-R1

SCREW, THD CUTTING

$

$

Currently unavailable

78

Cub Cadet IH-544366-R1

BELT, STARTER MOTOR

$

$

Currently unavailable

$

$

Currently unavailable

Cub Cadet IH-112726

PIN, 1/16 X 1/2 C-Z COT.

$

$

Currently unavailable

$

$

Currently unavailable

81

Cub Cadet IH-544369-R1

TERMINAL, MOTOR TO SWITCH

$

$

Currently unavailable

82

Cub Cadet IH-544370-R1

MOTOR, ELECTRIC

$

$

Currently unavailable

Cub Cadet IH-180018

SCREW, 1/4-20 X 5/8 ZND HEX-HD CAP
(Superseded to 710-0751)

$4.49

$

In Stock, Qty 20+

0

83

Cub Cadet IH-544373-R1

COVER W/INSTRUCTION PRODUCT GRAPHIC, BATTERY

$

$

Currently unavailable

84

Cub Cadet IH-164608-R1

WASHER, BATTERY COVER

$

$

Currently unavailable

85

Cub Cadet IH-544376-R1

NUT, BATTERY COVER
(Superseded to 712-0161)

$4.99

$

In Stock, Qty 20+

0

86

Cub Cadet IH-545104-R1

CHARGER, TRICKLE

$

$

Currently unavailable

87

Cub Cadet IH-544612-R91

JACK LEAD & TERMINAL ASSY

$

$

Currently unavailable

$

$

Currently unavailable

Cub Cadet IH-138542

WASHER, 3/8 ZND INT LOCK JACK TO SHROUD

$

$

Not available

89

Cub Cadet IH-544614-R1

HANDLE, LOWER

$

$

Currently unavailable

90

Cub Cadet IH-544615-R1

LINK, CONNECT

$

$

Currently unavailable

91

$

$

Currently unavailable

92

Cub Cadet IH-544617-R1

BOLT, SHOULDER

$

$

Currently unavailable

93

Cub Cadet IH-544618-R1

BRACKET, HANDLE LH

$

$

Currently unavailable

94

Cub Cadet IH-544619-R1

PIN, ROLLER TO SHAFT

$

$

Currently unavailable

95

Cub Cadet IH-544620-R1

PLUG, ROLLER GREASE

$

$

Currently unavailable

96

Cub Cadet IH-544621-R1

ROLLER, DRIVE LH

$

$

Currently unavailable

97

Cub Cadet IH-544622-R1

WASHER
(Superseded to 936-0272)

$5.49

$

In Stock, Qty 20+

0

98

Cub Cadet IH-544623-R1

SLEEVE & BEARING

$

$

Currently unavailable

99

Cub Cadet IH-544624-R1

V-BELT, DRIVEN

$

$

Currently unavailable

100

Cub Cadet IH-544657-R91

PULLEY W/SET SCREW, DRIVEN

$

$

Currently unavailable

101

$

$

Currently unavailable

102

$

$

Currently unavailable

103

ENGINE, IH

Note: (SEE "ENGINE, GOVERNOR, AND AIR CLEANER" ILLUSTRATION AND PARTS LIST)

$

$

Not available

104

Cub Cadet IH-545113-R91

GUARD ASSY, WHEEL

$

$

Currently unavailable

Cub Cadet IH-547989-R91

PARTS ACCESSORY, LEAF BAG

$

$

Currently unavailable

Cub Cadet IH-547992-R91

PARTS ACCESSORY, DELUXE GRASS BAG

$

$

Not available

Cub Cadet IH-545437-R91

PACKAGE, PRODUCT GRAPHIC

$

$

Currently unavailable