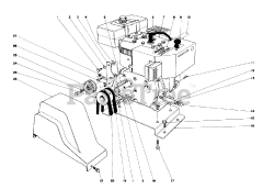
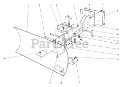
38050 (724) - Toro Snow Thrower (SN: 000000001 - 000999999) (1980) Parts & Diagrams Parts Lists & Diagrams

Snow Thrower