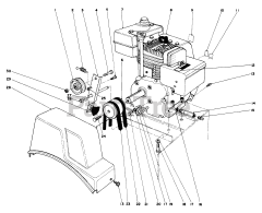
38052 (521) - Toro 21" Snow Thrower (SN: 009000001 - 009999999) (1989) Parts & Diagrams Parts Lists & Diagrams

21" Snow Thrower