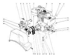
38052 (521) - Toro 21" Snow Thrower (SN: 049000001 - 049999999) (1994) Parts & Diagrams Parts Lists & Diagrams

21" Snow Thrower