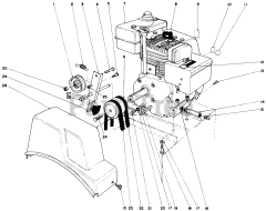
38056 (521) - Toro 21" Snow Thrower (SN: 000000001 - 000999999) (1990) Parts & Diagrams Parts Lists & Diagrams

21" Snow Thrower