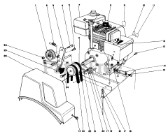
38056 (521) - Toro 21" Snow Thrower (SN: 006000001 - 006999999) (1986) Parts & Diagrams Parts Lists & Diagrams

21" Snow Thrower