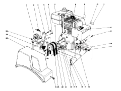
38056 (521) - Toro 21" Snow Thrower (SN: 010000001 - 019999999) (1991) Parts & Diagrams Parts Lists & Diagrams

21" Snow Thrower