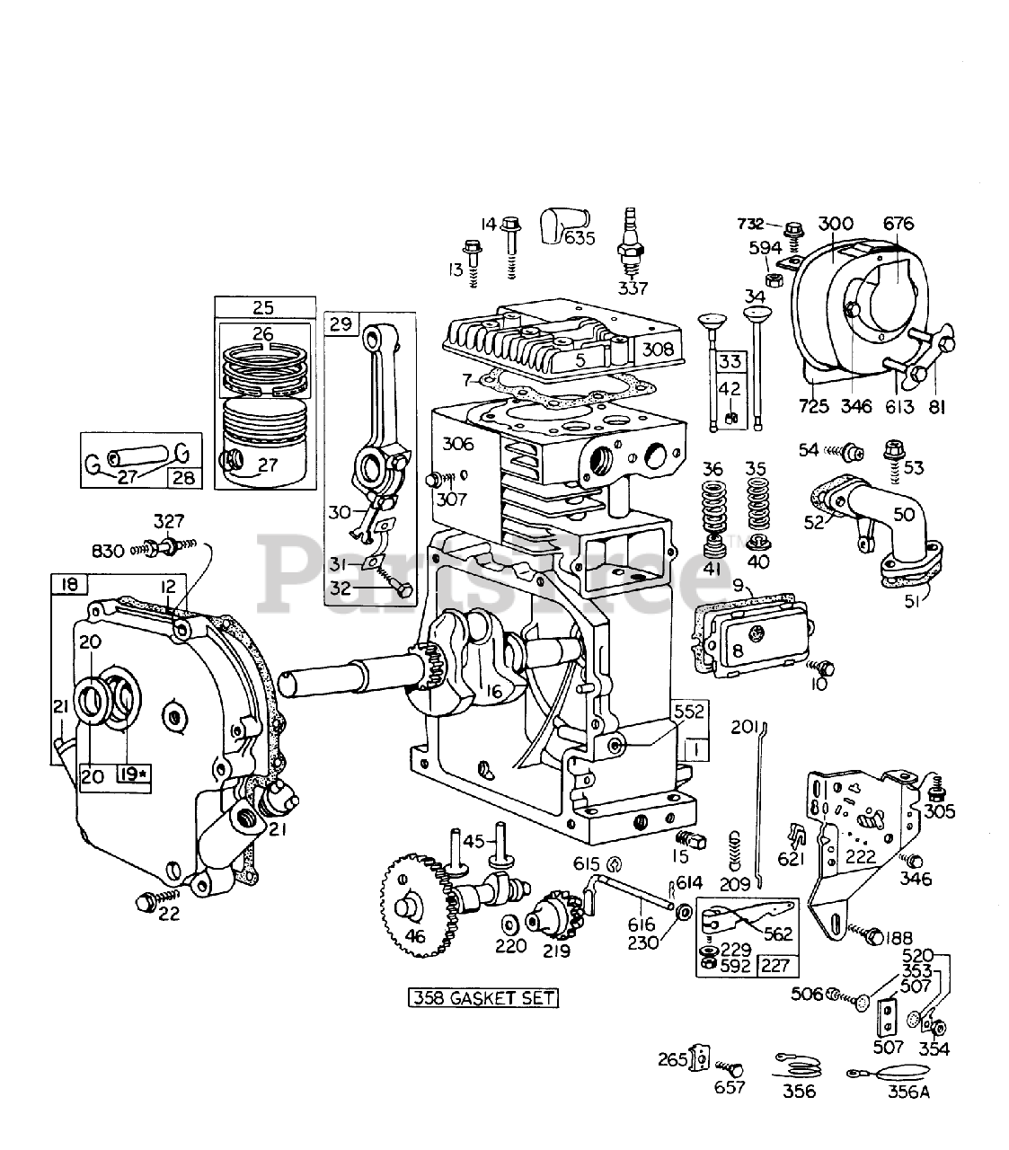
38060 (826) - Toro 26" Snow Thrower (SN: 008000001 - 008999999) (1978) ENGINE BRIGGS & STRATTON MODEL NO. 190402 TYPE 0914-02 (8 H.P. SNOWTHROWER MODEL 38060) Parts Diagram

26" Snow Thrower

ENGINE BRIGGS & STRATTON MODEL NO. 190402 TYPE 0914-02 (8 H.P. SNOWTHROWER MODEL 38060) Parts Diagram

  • Title
1

Toro 390399

Cylinder Assembly

$

$

Currently unavailable

5

Briggs & Stratton 211778

Head-Cylinder

$

$

Not available

7

Briggs & Stratton 270430

Gasket-Cylinder Hd.
(Superseded to 272163S)

Note: Included in Gasket Set-Part No. 299577.

$8.49

$

In Stock, only 3 left!

0

8

Briggs & Stratton 390321

Breather Assembly
(Superseded to 495724)

$134.99

$

In Stock, only 1 left!

0

9

Toro 21803

Gasket-Valve Cover

Note: Included in Gasket Set-Part No. 299577.

$

$

Currently unavailable

10

Briggs & Stratton 93536

Screw
(Superseded to 691666)

$4.49

$

In Stock, only 3 left!

0

12

Briggs & Stratton 27750

Gasket-Crankcase Cover 1/64" Thick
(Superseded to 692221)

Note: Included in Gasket Set-Part No. 299577.

$9.49

$

In Stock, only 2 left!

0

Briggs & Stratton 27876

Gasket-Crankcase (.005" Thick)

Note: Included in Gasket Set-Part No. 299577.

$

$

Not available

Briggs & Stratton 27877

33154A,55A,60A W/FO

Note: Included in Gasket Set-Part No. 299577.

$11.99

$

Usually ships in 2-12 days

0

13

Briggs & Stratton 93210

Screw-Cylinder Head
(Superseded to 93210GS)

$

$

Not available

14

Briggs & Stratton 93211

Screw-Cylinder Head
(Superseded to 592244)

$3.49

$

In Stock, Qty 20+

0

15

Briggs & Stratton 91084

Plug-Pipe
(Superseded to 690946)

$6.49

$

In Stock, only 2 left!

0

16

Briggs & Stratton 261077

Crankshaft
(Superseded to 492456)

$

$

Not available

18

Briggs & Stratton 299167

Cover Assy.-Crankcase
(Superseded to 496982)

$

$

Not available

$

$

Not available

20

Briggs & Stratton 298423

Seal-OiI
(Superseded to 391086S)

$6.49

$

In Stock, Qty 20+

0

21

Briggs & Stratton 66768

Plug-Oil
(Superseded to 281658S)

$4.49

$

In Stock, Qty 20+

0

22

Briggs & Stratton 93585

Screw-Sem
(Superseded to 691103)

$4.49

$

In Stock, only 4 left!

0

25

Toro 390347

Piston Assembly-Std.

$

$

Currently unavailable

Toro 390348

Piston Assy.-.010" O.S.

$

$

Currently unavailable

Toro 390349

Piston Assy.-.020" O.S.

$

$

Currently unavailable

Toro 390350

Piston Assy., .030" O.S.

$

$

Currently unavailable

26

Toro 299569

Ring Set-Piston-Std. Consists of:

$

$

Currently unavailable

Toro 299570

Yoke Bushing

$

$

Currently unavailable

Toro 299571

Ring Set-Piston-.020" O.S. Consists of:

$

$

Currently unavailable

Toro 299572

Ring Set-Piston-.030" O.S. Consists of:

$

$

Currently unavailable

27

Briggs & Stratton 68546

Lock-Piston Pin
(Superseded to 691073)

$4.99

$

Usually ships in 2-12 days

0

28

Briggs & Stratton 295840

Assembly-Piston-Std
(Superseded to 499302)

$

$

Not available

Briggs & Stratton 295841

Pin-Piston (.005" O.S.)

$

$

Not available

29

Briggs & Stratton 390401

Rod Assy.-Connecting

$

$

Not available

30

Briggs & Stratton 222113

Dipper-Conn. Rod
(Superseded to 691728)

$

$

Not available

31

Briggs & Stratton 222114

Lock-Conn. Rod Screw

$

$

Not available

32

Briggs & Stratton 92659

Screw Conn. Rod
(Superseded to 690352)

$7.49

$

In Stock, only 1 left!

0

33

Briggs & Stratton 390419

Valve-Exhaust
(Superseded to 691794)

$

$

Not available

34

Briggs & Stratton 261055

VaIve-Intake
(Superseded to 261055S)

$36.99

$

In Stock, only 2 left!

0

35

Briggs & Stratton 65906

Spring-Valve
(Superseded to 691605)

$7.49

$

In Stock, Qty 10

0

36

Briggs & Stratton 26828

Spring-Valve
(Superseded to 691597)

$11.99

$

In Stock, only 3 left!

0

40

Briggs & Stratton 221596

Retainer-Valve
(Superseded to 690656)

$

$

Not available

41

Briggs & Stratton 292260

Retainer-Valve
(Superseded to 691939)

$29.99

$

In Stock, Qty 5

0

42

Briggs & Stratton 93630

Retainer-Rotocoil
(Superseded to 494553)

$8.49

$

In Stock, only 2 left!

0

45

Briggs & Stratton 260933

Tappet-Valve
(Superseded to 691793)

$

$

Not available

46

Briggs & Stratton 210728

Gear-Cam
(Superseded to 691167)

$

$

Not available

50

$

$

Not available

51

Briggs & Stratton 270684

Gasket-Carb. Mtg.

Note: Included in Gasket Set-Part No. 299577.

$4.99

$

In Stock, Qty 20+

0

52

Briggs & Stratton 27828

Gasket-Intake Elbow
(Superseded to 27828S)

Note: Included in Gasket Set-Part No. 299577.

$4.99

$

In Stock, Qty 20+

0

53

Briggs & Stratton 93128

Screw-Carburetor Mounting
(Superseded to 690953)

$

$

Not available

$8.99

$

In Stock, Qty 5

0

81

Briggs & Stratton 222263

Lockplate
(Superseded to 691729)

$6.49

$

In Stock, only 2 left!

0

188

Briggs & Stratton 93535

Crew
(Superseded to 691058)

$6.49

$

In Stock, Qty 9

0

201

Briggs & Stratton 260872

Link-Governor

$

$

Not available

209

Briggs & Stratton 260695

Spring
(Superseded to 796260)

$5.49

$

In Stock, Qty 20+

0

219

Briggs & Stratton 297656

Gear-Governor

$

$

Not available

220

Briggs & Stratton 221551

Washer-Thrust
(Superseded to 691724)

$5.49

$

In Stock, only 1 left!

0

222

Briggs & Stratton 390670

Plate-Gov. Control

$

$

Not available

227

Briggs & Stratton 299165

Lever Assy.-Governor

$

$

Not available

229

Briggs & Stratton 220680

Washer
(Superseded to 690390)

$4.49

$

Usually ships in 2-12 days

0

230

$3.99

$

Usually ships in 2-12 days

0

265

Briggs & Stratton 221535

Clamp-Casing
(Superseded to 691024)

$3.99

$

In Stock, only 1 left!

0

300

Briggs & Stratton 390918

Screw-Sem
(Superseded to 390918S)

$66.99

$

Usually ships in 2-12 days

0

305

Briggs & Stratton 93158

Screw
(Superseded to 692198)

$6.49

$

In Stock, Qty 20+

0

306

Briggs & Stratton 221898

Screw-Cylinder
(Superseded to 496797)

$

$

Not available

307

Briggs & Stratton 93163

Screw
(Superseded to 691003)

$3.99

$

In Stock, Qty 12

0

308

Briggs & Stratton 221901

Cover-Cylinder Head

$

$

Not available

327

$

$

Not available

337

Briggs & Stratton 293918

Plug-Spark
(Superseded to 796112S)

$3.99

$

In Stock, Qty 20+

0

346

Briggs & Stratton 93014

Screw
(Superseded to 93014GS)

$

$

Not available

353

Briggs & Stratton 92791

Washer-Lock
(Superseded to 691077)

$3.99

$

Usually ships in 2-12 days

0

354

Briggs & Stratton 90576

Nut
(Superseded to 691612)

$3.49

$

In Stock, only 1 left!

0

356

Briggs & Stratton 299500

Wire-Ground
(Superseded to 398808)

$12.99

$

In Stock, only 4 left!

0

356A

Briggs & Stratton 391255

Wire-Ground
(Superseded to 691408)

$12.99

$

Usually ships in 2-12 days

0

358

$37.99

$

In Stock, only 3 left!

0

506

Briggs & Stratton 90200

Screw-Terminal

$

$

Not available

507

$5.49

$

In Stock, only 1 left!

0

520

Briggs & Stratton 93722

Terminal
(Superseded to 691084)

$6.99

$

Usually ships in 2-12 days

0

552

Briggs & Stratton 230843

Bushing-Governor Shaft

$

$

Not available

$

$

Not available

592

Briggs & Stratton 90356

Nut
(Superseded to 690276)

$

$

Not available

594

Briggs & Stratton 93203

Nut
(Superseded to 691105)

$8.49

$

Usually ships in 2-12 days

0

$15.99

$

Usually ships in 2-12 days

0

614

Briggs & Stratton 93306

Pin-Cotter
(Superseded to 691620)

$4.99

$

In Stock, only 1 left!

0

615

Briggs & Stratton 93307

Retainer-Ring

$6.49

$

In Stock, only 3 left!

0

616

Briggs & Stratton 230842

Crank-Governor
(Superseded to 231070)

$

$

Not available

621

Briggs & Stratton 297472

Switch-Stop
(Superseded to 297472S)

$

$

Not available

635

Briggs & Stratton 66538

Boot-Plug, Spark
(Superseded to 66538S)

$3.99

$

In Stock, Qty 20+

0

657

Briggs & Stratton 93496

Screw
(Superseded to 690804)

$

$

Not available

676

Toro 22226

Deflector-Exhaust

$

$

Currently unavailable

725

$

$

Not available

732

Briggs & Stratton 93490

Screw
(Superseded to 691660)

$3.99

$

In Stock, only 4 left!

0

830

Briggs & Stratton 93730

Stud
(Superseded to 691695)

$

$

Not available